OEM SMP 밀폐형 커넥터 Supplier

닝보한손통신기술유한회사 / 제품 / 밀폐형 시리즈 / SMP 밀폐형 커넥터

SMP 밀폐형 커넥터

설명:

SMP-J 유형 밀폐형 RF 동축 커넥터는 밀폐형 포장의 특성을 가지며 튜브 쉘 또는 장치 패널에 포장 및 용접될 수 있습니다. 이 제품의 외피와 내부 도체는 Kovar 합금 재질로 만들어졌으며 표면은 경질 금 또는 연질 금으로 도금될 수 있습니다. 절연 매체는 고온에서 소결된 유리로 만들어졌으며 유전 상수는 약 4입니다. 작은 크기, 가벼운 무게, 밀폐 밀봉, 높은 신뢰성 등의 장점이 있습니다. 밀봉 요구 사항이나 제품 부피 및 무게에 대한 특별한 요구 사항이 있는 경우에 주로 사용되며 집중 설치에 적합합니다.

묻다

기본 구조:
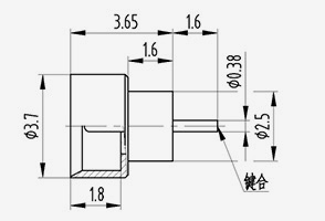
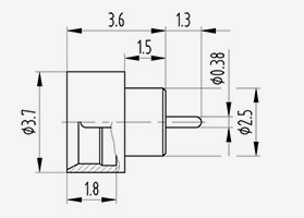
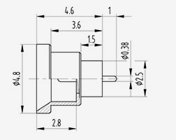
SMP-J 유형 공기 밀봉형 RF 동축 커넥터는 일반적으로 외부 도체, 유리 매체 및 내부 도체의 세 부분으로 구성되며 기본 구조가 그림에 나와 있습니다.

제품의 내부 도체 노출 부분을 삽입 또는 표면 용접으로 연결하면 내부 도체의 단면을 구형 헤드로 제작할 수 있습니다. 제품 내부 도체의 노출된 부분을 본딩으로 연결하는 경우 내부 도체의 단면을 플랫 헤드로 제작하거나 내부 도체의 노출된 부분의 측면을 밀링 가공할 수 있습니다.

주요 기술 매개변수:

전기적 특성
특성 임피던스 50Ω 주파수 범위 DC~40GHz
유전체 내전압 500Vrms 절연저항 2000M Ω
전압 VSWR <1.4 삽입 손실 ≤0.05 √f 데시벨(GHz)
재료 및 기계적, 환경적 특성
포장 Lavable 합금/금 도금 다리 플러그 토륨 위임 가능한 합금 금 도금
절연 매체 유리 커넥터 내구성 풀 디텐트 ≥100배
누설률 ≤1.01325×10 아빠 ·m³/s 제한된 멈춤쇠 ≥500배
작동 온도 -65℃~165℃ 매끄러운 보어 ≥1000배

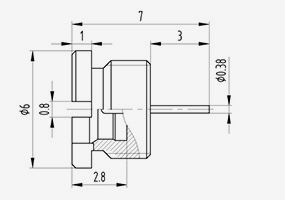
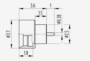
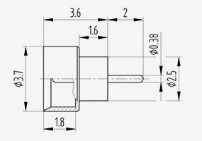
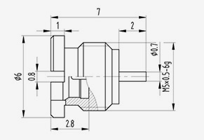
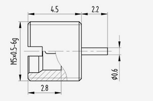
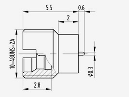
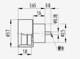
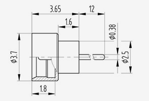
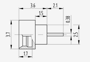
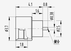
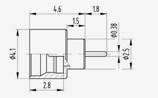
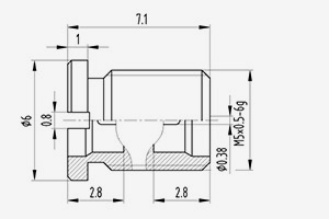
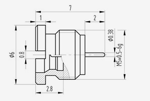
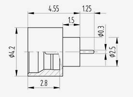
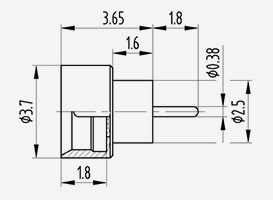
인터페이스 크기:
SMP-J 유형 공기 밀봉형 RF 동축 커넥터에는 전체 이스케이프먼트, 하프 이스케이프먼트 및 라이트 홀의 세 가지 인터페이스 형태가 있습니다. 모델명을 붙일 때 F는 풀 이스케이프먼트, L은 하프 이스케이프먼트, S는 라이트홀을 의미합니다. 인터페이스 치수는 표준 인터페이스 치수와 짧은 인터페이스 치수로 구분되며, 둘 다 SMP-K 유형 플러그와 상호 결합 가능합니다.

표준 인터페이스 크기:

짧은 인터페이스 크기:

SMP SERIES
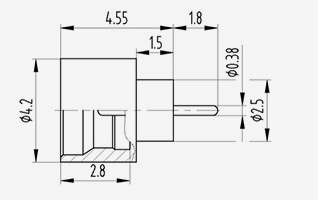
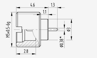
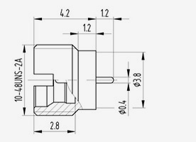
  • SMP(M)-JYD3S
    SMP(M)-JYD3S
    모델 비고
    SMP(M)-JYD3S 매끄러운 보어
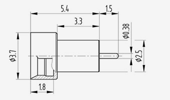
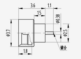
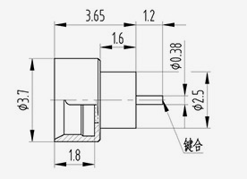
  • SMP(M)-JYD6L
    SMP(M)-JYD6L
    모델 비고
    SMP(M)-JYD6L 제한된 멈춤쇠
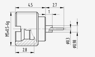
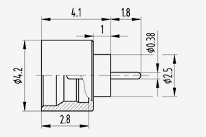
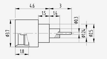
  • SMP(M)-JYD12L
    SMP(M)-JYD12L
    모델 비고
    SMP(M)-JYD12L 전체 디텐트
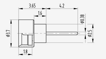
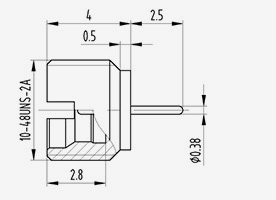
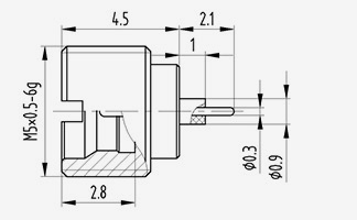
  • SMP(M)-JYD13F
    SMP(M)-JYD13F
    모델 비고
    SMP(M)-JYD13F 전체 디텐트
  • SMP(M)-JYD14L
    SMP(M)-JYD14L
    모델 비고
    SMP(M)-JYD14L 제한된 멈춤쇠
  • SMP(남)-JYD17S
    SMP(남)-JYD17S
    모델 비고
    SMP(남)-JYD17S 매끄러운 보어
  • SMP(M)-JYD19L
    SMP(M)-JYD19L
    모델 비고
    SMP(M)-JYD19L 제한된 멈춤쇠
  • SMP(M)-JYD22S
    SMP(M)-JYD22S
    모델 비고
    SMP(M)-JYD22S 제한된 멈춤쇠
  • SMP(M)-JYD23S
    SMP(M)-JYD23S
    모델 비고
    SMP(M)-JYD23S 제한된 멈춤쇠
  • SMP(남)-JYD24S
    SMP(남)-JYD24S
    모델 비고
    SMP(남)-JYD24S 제한된 멈춤쇠
  • SMP(M)-JYD25L
    SMP(M)-JYD25L
    모델 비고
    SMP(M)-JYD25L 제한된 멈춤쇠
  • SMP(M)-JYD26L
    SMP(M)-JYD26L
    모델 비고
    SMP(M)-JYD26L 제한된 멈춤쇠
  • SMP(M)-JYD27L
    SMP(M)-JYD27L
    모델 비고
    SMP(M)-JYD27L 제한된 멈춤쇠
  • SMP(M)-JYD28L
    SMP(M)-JYD28L
    모델 비고
    SMP(M)-JYD28L 제한된 멈춤쇠
  • SMP(M)-JYD29L
    SMP(M)-JYD29L
    모델 비고
    SMP(M)-JYD29L 제한된 멈춤쇠
  • SMP(M)-JYD30L
    SMP(M)-JYD30L
    모델 비고
    SMP(M)-JYD30L 제한된 멈춤쇠
  • SMP(M)-JYD31L
    SMP(M)-JYD31L
    모델 비고
    SMP(M)-JYD31L 제한된 멈춤쇠
  • SMP(M)-JYD32F
    SMP(M)-JYD32F
    모델 비고
    SMP(M)-JYD32F 제한된 멈춤쇠
  • SMP(M)-JYD33L
    SMP(M)-JYD33L
    모델 비고
    SMP(M)-JYD33L 제한된 멈춤쇠
  • SMP(M)-JYD34L
    SMP(M)-JYD34L
    모델 비고
    SMP(M)-JYD34L 제한된 멈춤쇠
  • SMP(M)-JYD35L
    SMP(M)-JYD35L
    모델 비고
    SMP(M)-JYD35L 제한된 멈춤쇠
  • SMP(M)-JYD37L
    SMP(M)-JYD37L
    모델 비고
    SMP(M)-JYD37L 제한된 멈춤쇠
  • SMP(M)-JYD41L
    SMP(M)-JYD41L
    모델 비고
    SMP(M)-JYD41L 제한된 멈춤쇠
  • SMP(M)-JYD42S
    SMP(M)-JYD42S
    모델 비고
    SMP(M)-JYD42S 제한된 멈춤쇠
  • SMP(M)-JYD43L
    SMP(M)-JYD43L
    모델 비고
    SMP(M)-JYD43L 제한된 멈춤쇠
  • SMP(M)-JYD44L
    SMP(M)-JYD44L
    모델 비고
    SMP(M)-JYD44L 제한된 멈춤쇠
  • SMP(M)-JYD45L
    SMP(M)-JYD45L
    모델 비고
    SMP(M)-JYD45L 제한된 멈춤쇠
  • SMP(M)-JYD46L
    SMP(M)-JYD46L
    모델 비고
    SMP(M)-JYD46L 제한된 멈춤쇠
  • SMP(M)-JYD47L
    SMP(M)-JYD47L
    모델 비고
    SMP(M)-JYD47L 제한된 멈춤쇠
  • SMP(M)-JYD48L
    SMP(M)-JYD48L
    모델 비고
    SMP(M)-JYD48L 제한된 멈춤쇠
  • SMP(M)-JYD49L
    SMP(M)-JYD49L
    모델 비고
    SMP(M)-JYD49L 제한된 멈춤쇠
  • SMP(남)-JYD50S
    SMP(남)-JYD50S
    모델 비고
    SMP(남)-JYD50S 매끄러운 보어
  • SMP(M)-JYD51L
    SMP(M)-JYD51L
    모델 비고
    SMP(M)-JYD51L 제한된 멈춤쇠
  • SMP(M)-JYD52S
    SMP(M)-JYD52S
    모델 비고
    SMP(M)-JYD52S 매끄러운 보어
  • SMP(M)-JYD53L
    SMP(M)-JYD53L
    모델 비고
    SMP(M)-JYD53L 제한된 멈춤쇠
  • SMP(남)-JYD54S
    SMP(남)-JYD54S
    모델 비고
    SMP(남)-JYD54S 매끄러운 보어
  • SMP(M)-JYD55L
    SMP(M)-JYD55L
    모델 비고
    SMP(M)-JYD55L 제한된 멈춤쇠
  • SMP(남)-JYD57S
    SMP(남)-JYD57S
    모델 비고
    SMP(남)-JYD57S 매끄러운 보어
  • SMP(M)-JYD80L
    SMP(M)-JYD80L
    모델 비고
    SMP(M)-JYD80L 제한된 멈춤쇠
  • SMP(M)-JYD81L
    SMP(M)-JYD81L
    모델 비고
    SMP(M)-JYD81L 제한된 멈춤쇠
  • SMP(M)-JYD82L
    SMP(M)-JYD82L
    모델 비고
    SMP(M)-JYD82L 제한된 멈춤쇠
  • SMP(M)-JYD83F
    SMP(M)-JYD83F
    모델 비고
    SMP(M)-JYD83F Full Detent
  • SMP(남)-JYD84S
    SMP(남)-JYD84S
    모델 비고
    SMP(남)-JYD84S 매끄러운 보어
  • SMP(남)-JYD85S
    SMP(남)-JYD85S
    모델 비고
    SMP(남)-JYD85S 매끄러운 보어
  • SMP(M)-JYD86L
    SMP(M)-JYD86L
    모델 비고
    SMP(M)-JYD86L 제한된 멈춤쇠
  • SMP(M)-JYD88L
    SMP(M)-JYD88L
    모델 비고
    SMP(M)-JYD88L 제한된 멈춤쇠
  • SMP(M)-JYD89L
    SMP(M)-JYD89L
    모델 비고
    SMP(M)-JYD89L 제한된 멈춤쇠
  • SMP(M)-JYD90L
    SMP(M)-JYD90L
    모델 비고
    SMP(M)-JYD90L 제한된 멈춤쇠
  • SMP(M)-JYD91L
    SMP(M)-JYD91L
    모델 비고
    SMP(M)-JYD91L 제한된 멈춤쇠
  • SMP(M)-JYD92L
    SMP(M)-JYD92L
    모델 비고
    SMP(M)-JYD92L 제한된 멈춤쇠
  • SMP(M)-JYD93S
    SMP(M)-JYD93S
    모델 비고
    SMP(M)-JYD93S 매끄러운 보어
  • SMP(M)-JYD94L
    SMP(M)-JYD94L
    모델 비고
    SMP(M)-JYD94L 제한된 멈춤쇠
  • SMP(M)-JYD95L
    SMP(M)-JYD95L
    모델 비고
    SMP(M)-JYD95L 제한된 멈춤쇠
  • SMP(M)-JYD96L
    SMP(M)-JYD96L
    모델 비고
    SMP(M)-JYD96L 제한된 멈춤쇠
  • SMP(M)-JYD97S
    SMP(M)-JYD97S
    모델 비고
    SMP(M)-JYD97S 매끄러운 보어
  • SMP(남)-JYJ1S
    SMP(남)-JYJ1S
    모델 비고
    SMP(남)-JYJ1S 매끄러운 보어

계속 연락하세요

[#입력#]
제출
회사 소개
닝보한손통신기술유한회사
닝보한손통신기술유한회사
Ningbo Hanson Communication Technology Co., Ltd. is China SMP 밀폐형 커넥터 Supplier and Custom SMP 밀폐형 커넥터 Company. We are a manufacturer specializing in the production, processing, and trade of communication components, with more than 30 years of experience in RF coaxial connectors, adapters, and cable assemblies. 이제 회사는 자체 가공 작업장, 전기 도금 작업장, 조립 작업장 및 안정적이고 신뢰할 수 있는 공급업체 그룹을 개발했습니다. 회사의 목적은 고객에게 고품질의 제품을 제공하는 것입니다. 주요 제품 RF 동축 커넥터, 어댑터, 고주파 케이블 어셈블리 및 낮은 상호 변조 케이블 어셈블리입니다. 또한 회사는 제품에 대한 고객의 특별한 요구 사항을 충족하기 위해 맞춤형 요구 사항을 가진 고객에게 서비스를 제공할 수도 있습니다. 이 회사의 제품은 항공우주, 통신 기지국, 의료 장비 및 기타 첨단 기술 분야에서 널리 사용됩니다. 기업 개혁, 혁신, 개발 및 성장 당시 회사는 ISO9001 국제 품질 관리 시스템에 가입하고 신규 고객과 기존 고객에게 더욱 만족스러운 제품과 서비스를 제공하기 위해 관리 수준을 지속적으로 향상시키는 데 앞장섰습니다.
최신 뉴스
  • RF 동축 어댑터는 무선 통신, 전자 장비 및 신호 전송에 없어서는 안될 구성 요소입니다. 이는 다양한 RF 동축 케이블과 장치를 연결하는 브리지 역할을 하여 안정적이고 효율적인 신호 전송을 보장합니다. 그러나 시장에 나와 있는 수많은 RF 동축 어댑터 모델과 사양으로 인해 올바른 제품을 선택하는 것이 많은 엔지니어...

    READ MORE
  • RF(무선 주파수) 커넥터는 현대 통신 및 전자 장비, 특히 고주파 신호 전송에서 중요한 역할을 합니다. 무선 통신, 5G 네트워크, 위성 통신 또는 방송, TV, 레이더 시스템과 같은 애플리케이션에서 RF 커넥터는 신호 안정성과 무결성을 보장해야 합니다. 그러나 실제 응용 분야에서 RF 커넥터는 장비의 정상적인 작...

    READ MORE
  • RF 케이블 어셈블리 무선 주파수(RF) 신호 전송에 사용되는 핵심 전기 부품입니다. RF 케이블, 커넥터, 기타 보조 부품으로 구성되며 통신, 레이더, 위성, 방송, 무선 네트워크 등 다양한 고주파 신호 전송 시스템에 널리 사용됩니다. RF 케이블 어셈블리는 안정적인 신호 전송을 보장할 뿐만 아니라 복잡...

    READ MORE
  • SMA 커넥터 통신 장비, 마이크로파 시스템, 안테나, 테스트 장비, GPS, 레이더 및 기타 고주파 시스템에 널리 사용되는 RF 애플리케이션에서 가장 일반적이고 널리 사용되는 동축 커넥터 중 하나입니다. SMA 커넥터의 구조는 단순해 보이지만 설치나 연결 시 작은 실수라도 신호 감쇠, VSWR 증가, 접...

    READ MORE
사업 기회를 찾고 계십니까?

오늘 통화 요청