유리 절연체는 밀봉 성능이 우수한 유리 소결 구조를 사용합니다. SMA 및 2.92와 같은 밀리미터파 커넥터와 함께 사용할 수 있으며 PCB 보드, 템플릿, 템플릿 및 구성 요소 간에 직접 사용할 수도 있습니다. 절연 매체 재료로 유리(유전율 약 4.0)를 사용하고 내부 및 외부 도체는 Kovar 합금 재료로 만들어집니다. 고온 소결 후 표면을 금으로 니켈 도금합니다. 유리 절연체는 소형, 경량, 기밀성 및 높은 신뢰성이라는 장점을 가지고 있습니다. 이는 밀봉 요구 사항이나 제품 부피 및 무게 요구 사항이 있는 경우에 주로 사용됩니다. 집중 설치에 적합합니다. 내부 도체는 플러그인, 표면 실장, 용접, 금와이어 본딩 등 다양한 방법으로 연결할 수 있습니다.
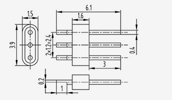
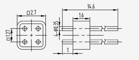
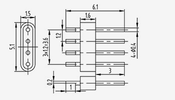
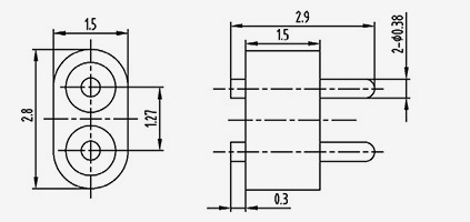
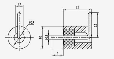
기본 구조:
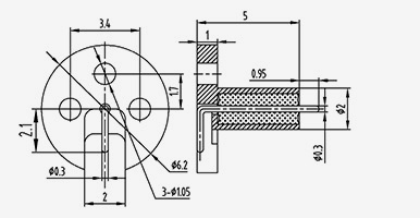
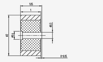
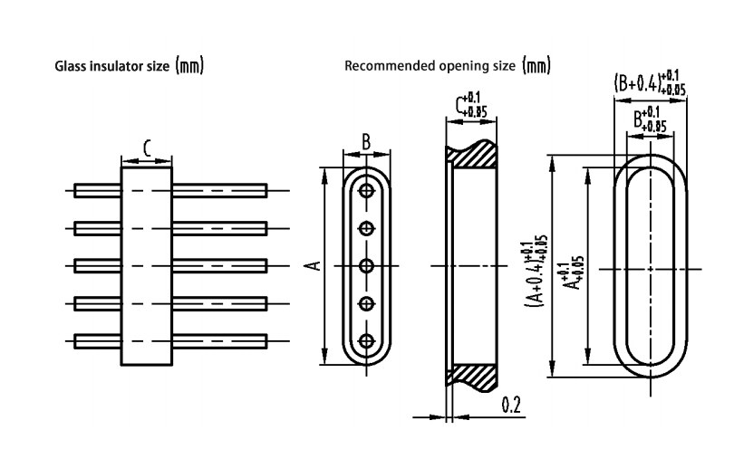
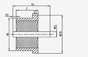
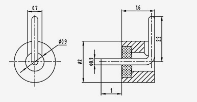
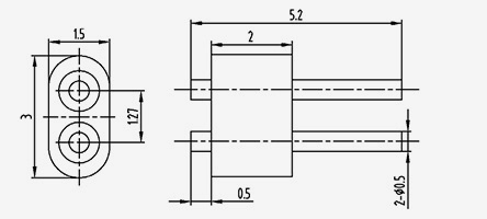
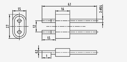
유리 절연체는 일반적으로 외부 도체, 유리 매체 및 내부 도체의 세 부분으로 구성되며 기본 구조는 다음 그림에 나와 있습니다.
기술 사양 및 신뢰성 테스트:
| 전기적 특성 | |||
| 특성 임피던스 | 50Ω 또는 기타 | 주파수 범위 | DC~65GHz |
| 유전체 내전압 | ≥500V | 절연저항 | ≥5000MΩ |
| 접촉저항 | 내부 도체 ≤3m Ω | 전압 VSWR(50Ω) | ≤ 1.05 0.008f (f: GHz) |
| 외부 도체 ≤2m Ω | RF 삽입 손실(50Ω) | ≤0.05 √ f (f: GHz) | |
| 재료 및 기계적, 환경적 특성 | |||
| 외부 도체 | 위임 가능한 합금 | 공기 누설률 | ≤ 1.01*10 -9 Pa.m 3 /에스 |
| 내부 도체 | 분해성 합금 | 작동 온도 | -65 ℃ ~ 165 ℃ |
| 절연 매체 | 유리 | ||
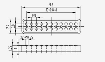
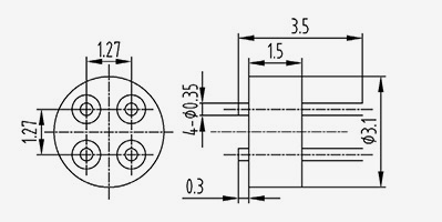
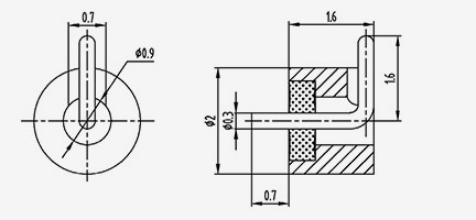
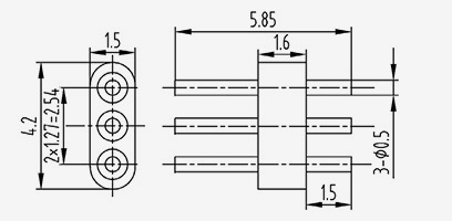
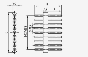
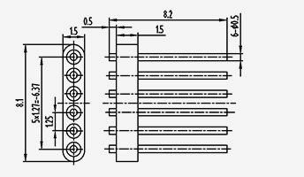
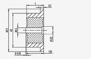
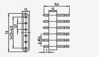
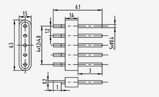
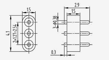
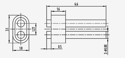
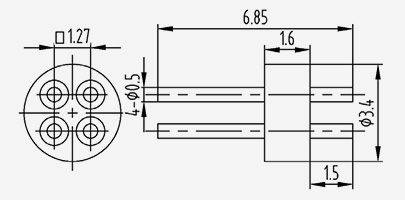
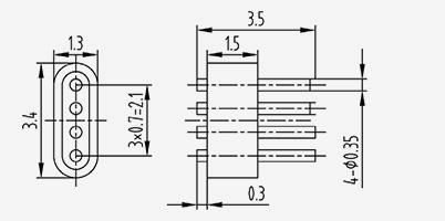
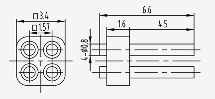
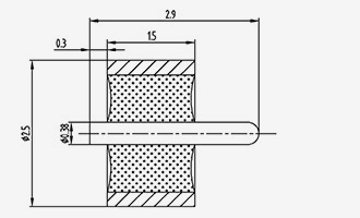
유리 절연체의 권장 설치 치수
단일 코어 유리 절연체에 권장되는 설치 개구부 치수는 다음과 같습니다.
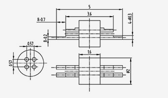
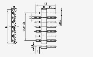
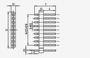
다중 코어 유리 절연체에 권장되는 장착 개구부 치수는 다음과 같습니다.
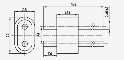
유리 절연체 전기 성능 테스트:
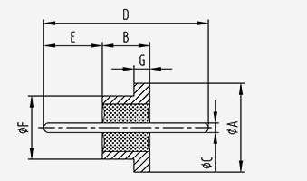
표준 SMA, 2.92, 2.4 등을 갖춘 50옴 특성 임피던스 유리 절연체. 전기 성능 테스트를 위해 양쪽 끝이 결합된 밀리미터파 커넥터.
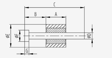
| 모델 | 크기(mm) | ||||
| 에이 | 비 | 기음 | 디 | 이자형 | |
| HS1710-0.23(2.8-0.3) | 1.73 | 1 | 0.23 | 2.8 | 0.3 |
| HS1710-0.23(6.2-2.7) | 1.73 | 1 | 0.23 | 6.2 | 2.7 |
| HS1710A | 1.73 | 1 | 0.23 | 3 | 1 |
| HS1714-0.23(2-0.3) | 1.73 | 1.4 | 0.23 | 2 | 0.3 |
| V1714-0.23(2.69-0.5) | 1.73 | 1.4 | 0.23 | 2.7 | 0.5 |
| V1714-0.23(3.9-1.7) | 1.73 | 1.4 | 0.23 | 3.9 | 1.7 |
| V1714-0.23(4.5-1.7) | 1.73 | 1.4 | 0.23 | 4.5 | 1.7 |
| HS1714-0.23(3-1.1) | 1.73 | 1.4 | 0.23 | 3 | 1.1 |
| HSI714E | 1.73 | 1.4 | 0.23 | 2.9 | 1 |
| HS1714F | 1.73 | 1.4 | 0.23 | 2.79 | 0.9 |
| HS1715-0.23(3.2-0.8) | 1.73 | 1.5 | 0.23 | 3.2 | 0.8 |
| HS1716A | 1.73 | 1.65 | 0.23 | 3.4 | 1 |
| V1719-0.23(5.0-1.7) | 1.73 | 1.9 | 0.23 | 5 | 1.7 |
| V1720-0.23(3.3-0.5) | 1.73 | 2 | 0.23 | 3.3 | 0.5 |
| HS1720-0.23(3.7-1.2) | 1.73 | 2 | 0.23 | 3.7 | 1.2 |
| V1720-0.23(4.0-1.0) | 1.73 | 2 | 0.23 | 4 | 1 |
| HS1720-0.23(6-2) | 1.73 | 2 | 0.23 | 6 | 2 |
| V1724-0.23(3.7-0.5) | 1.73 | 2.4 | 0.23 | 3.7 | 0.5 |
| HS1724-0.23(4.5-1.7) | 1.73 | 2.4 | 0.23 | 4.5 | 1.7 |
| 모델 | 크기(mm) | ||||
| 에이 | 비 | 기음 | 디 | 이자형 | |
| V1727-0.23(4.0-0.5) | 1.73 | 2.7 | 0.23 | 4 | 0.5 |
| HS1727A | 1.73 | 2.7 | 0.23 | 4.7 | 1 |
| HS1728-0.23(4-0.5) | 1.73 | 2.8 | 0.23 | 4 | 0.5 |
| HS1730-0.23(4.3-0.5) | 1.73 | 3 | 0.23 | 4.3 | 0.5 |
| V1730-0.23(5.0-1.0) | 1.73 | 3 | 0.23 | 5 | 1 |
| HS1734-0.23-01 | 1.73 | 3.4 | 0.23 | 5.2 | 1 |
| HS1744-0.23-01 | 1.73 | 4.4 | 0.23 | 6.2 | 1 |
| HS1749-0.23(8.9-2.0) | 1.73 | 4.9 | 0.23 | 8.9 | 2 |
| HS1751A | 1.73 | 5.1 | 0.23 | 5.9 | 0.4 |
| HS1756-0.23(6.6-0.5) | 1.73 | 5.6 | 0.23 | 6.6 | 0.5 |
| HS1914-0.3(2.55-0.35) | 1.9 | 1.4 | 0.3 | 2.55 | 0.35 |
| HS1914-0.3(3.2-1.1) | 1.9 | 1.4 | 0.3 | 3.2 | 1.1 |
| HS1914C | 1.9 | 1.4 | 0.3 | 3.6 | 0.7 |
| HS1914-0.3(4.4-2) | 1.9 | 1.4 | 0.3 | 4.4 | 2 |
| HS1914-0.3(3.2-1.1) | 1.9 | 1.4 | 0.3 | 3.2 | 1.1 |
| HS1914-0.3(3.8-1.2) | 1.9 | 1.4 | 0.3 | 3.8 | 1.2 |
| HS1914-0.3(4.4-2) | 1.9 | 1.4 | 0.3 | 4.4 | 2 |
| HS1916-0.3(4.7-0.8) | 1.9 | 1.6 | 0.3 | 4.7 | 0.8 |
| HS1916B | 1.9 | 1.6 | 0.3 | 4.9 | 0.8 |
| 모델 | 크기(mm) | ||||
| 에이 | 비 | 기음 | 디 | 이자형 | |
| HS1917-0.3(3.45-1) | 1.9 | 1.75 | 0.3 | 3.45 | 1 |
| HS1918-0.3(5.8-2) | 1.9 | 1.8 | 0.3 | 5.8 | 2 |
| HS1918-0.3(7.8-4.2) | 1.9 | 1.8 | 0.3 | 7.8 | 4.2 |
| HS1918-0.3(3.5-1) | 1.95 | 1.8 | 0.3 | 3.5 | 1 |
| HS1934-0.3(4.6-0.4) | 1.9 | 3.4 | 0.3 | 4.6 | 0.4 |
| HS2006-0.3(3.2-2) | 2 | 0.6 | 0.3 | 3.2 | 2 |
| HS2008-0.3(1.32-0.26) | 2 | 0.8 | 0.3 | 1.32 | 0.26 |
| HS2008F | 2 | 0.8 | 0.3 | 1.7 | 0.45 |
| HS2008-0.3(1.8-0.3) | 2 | 0.8 | 0.3 | 1.8 | 0.3 |
| HS2008-0.3(2.8-1.0) | 2 | 0.8 | 0.3 | 2.8 | 1 |
| HS2008-0.3(3.0-1.5) | 2 | 0.8 | 0.3 | 3 | 1.5 |
| HS2008-0.3(3.4-0.8) | 2 | 0.8 | 0.3 | 3.4 | 0.8 |
| HS2008-0.3(3.6-1.2) | 2 | 0.8 | 0.3 | 3.6 | 1.2 |
| HS2008-0.3(5.4-2.6) | 2 | 0.8 | 0.3 | 5.4 | 2.6 |
| HS2008-0.3(6-2.6) | 2 | 0.8 | 0.3 | 6 | 2.6 |
| HS2010-0.3(2.1-0.7) | 2 | 1 | 0.3 | 2.1 | 0.7 |
| HS2010-0.3(2.5-1) | 2 | 1 | 0.3 | 2.5 | 1 |
| HS2010-0.3(3.2-1.2) | 2 | 1 | 0.3 | 3.2 | 1.2 |
| HS2011-0.3(2.1-0.5) | 2 | 1.1 | 0.3 | 2.1 | 0.5 |
| 모델 | 크기(mm) | ||||
| 에이 | 비 | 기음 | 디 | 이자형 | |
| HS2012A | 2 | 1.2 | 0.3 | 3.5 | 1.2 |
| HS2012-0.3(6-1.8) | 2 | 1.2 | 0.3 | 6 | 1.8 |
| HS2012-0.3(6.7-1.5) | 2 | 1.2 | 0.3 | 6.7 | 1.5 |
| HS2013-0.3(2.3-0.5) | 2 | 1.3 | 0.3 | 2.3 | 0.5 |
| HS2014-0.3(1.92-0.26) | 2 | 1.4 | 0.3 | 1.92 | 0.26 |
| HS2014-0.3(2.12-0.36) | 2 | 1.4 | 0.3 | 2.12 | 0.36 |
| HS2014-0.3(2.4-0.5) | 2 | 1.4 | 0.3 | 2.4 | 0.5 |
| HS2014D | 2 | 1.4 | 0.3 | 3.1 | 0.45 |
| HS2014-0.3(4.4-1.5) | 2 | 1.4 | 0.3 | 4.4 | 1.5 |
| HS2014-0.3(4.4-1) | 2 | 1.4 | 0.3 | 4.4 | 1 |
| HS2014-0.3(4.55-1.5) | 2 | 1.4 | 0.3 | 4.55 | 1.5 |
| HS2014-0.3(4.65-1.5) | 2 | 1.4 | 0.3 | 4.65 | 1.5 |
| HS2014-0.3(5.5-1.9) | 2 | 1.4 | 0.3 | 5.5 | 1.9 |
| HS2014-0.3(5.7-1.8) | 2 | 1.4 | 0.3 | 5.7 | 1.8 |
| HS2014-0.3(8.0-4.6) | 2 | 1.4 | 0.3 | 8 | 4.6 |
| HS2014-0.3(8-1.9) | 2 | 1.4 | 0.3 | 8 | 1.9 |
| HS2015-0.3(3.25-0.75) | 2 | 1.5 | 0.3 | 3.25 | 0.75 |
| HS2016-0.3(2.7-0.7) | 2 | 1.6 | 0.3 | 2.7 | 0.7 |
| HS2016-0.3(2.8-0.5) | 2 | 1.6 | 0.3 | 2.8 | 0.5 |
| 모델 | 크기(mm) | ||||
| 에이 | 비 | 기음 | 디 | 이자형 | |
| HS2016-0.3(3.5-1.2) | 2 | 1.6 | 0.3 | 3.5 | 1.2 |
| HS2016-0.3(3.6-1) | 2 | 1.6 | 0.3 | 3.6 | 1 |
| HS2016-0.3(3.9-0.4) | 2 | 1.6 | 0.3 | 3.9 | 0.4 |
| HS2016E | 2 | 1.6 | 0.3 | 3.9 | 0.6 |
| HS2016-0.3(4.1-1) | 2 | 1.6 | 0.3 | 4.1 | 1 |
| HS2016-0.3(4.2-0.8) | 2 | 1.6 | 0.3 | 4.2 | 0.8 |
| HS2016-0.3(4.6-1.2) | 2 | 1.6 | 0.3 | 4.6 | 1.2 |
| HS2016-0.3(4.6-1.8) | 2 | 1.6 | 0.3 | 4.6 | 1.8 |
| Ka2016-0.3(5-2.9) | 2 | 1.6 | 0.3 | 5 | 2.9 |
| HS2016-0.3(5.2-1.8) | 2 | 1.6 | 0.3 | 5.2 | 1.8 |
| HS2016-0.3(8.0-4.6) | 2 | 1.6 | 0.3 | 8 | 4.6 |
| HS2016-0.3(8-1.8) | 2 | 1.6 | 0.3 | 8 | 1.8 |
| HS2016-0.3(12-2.4) | 2 | 1.6 | 0.3 | 12 | 2.4 |
| HS2016-0.3(20.4-4.6) | 2 | 1.6 | 0.3 | 20.4 | 4.6 |
| HS2017-0.3(3.3-0.8) | 2 | 1.7 | 0.3 | 3.3 | 0.8 |
| HS2017-0.3(8.5-2.0) | 2 | 1.7 | 0.3 | 8.5 | 2 |
| HS2018-0.3(3.5-1) | 2 | 1.8 | 0.3 | 3.5 | 1 |
| HS2019-0.3-01 | 2 | 1.9 | 0.3 | ||
| HS2020-0.3(3.4-0.4) | 2 | 2 | 0.3 | 3.4 | 0.4 |
| 모델 | 크기(mm) | ||||
| 에이 | 비 | 기음 | 디 | 이자형 | |
| HS2020-0.3(3.8-0.8) | 2 | 2 | 0.3 | 3.8 | 0.8 |
| HS2020-0.3(5.6-2.8) | 2 | 2 | 0.3 | 5.6 | 2.8 |
| HS2020-0.3(5.7-2.9) | 2 | 2 | 0.3 | 5.7 | 2.9 |
| HS2020-0.3(6-2) | 2 | 2 | 0.3 | 6 | 2 |
| HS2020-0.3(12-5) | 2 | 2 | 0.3 | 12 | 5 |
| HS2022F | 2 | 2.2 | 0.3 | 3.1 | 0.45 |
| HS2022-0.3(3.2-0.7) | 2 | 2.2 | 0.3 | 3.2 | 0.7 |
| HS2023-0.3(3.35-0.7) | 2 | 2.3 | 0.3 | 3.35 | 0.7 |
| HS2023-0.3(3.7-0.7) | 2 | 2.3 | 0.3 | 3.7 | 0.7 |
| HS2025-0.3(4.8-0.9) | 2 | 2.5 | 0.3 | 4.8 | 0.9 |
| HS2025-0.3(6-1.5) | 2 | 2.5 | 0.3 | 6 | 1.5 |
| HS2025-0.38(7.4-1.4) | 2 | 2.5 | 0.38 | 7.4 | 1.4 |
| HS2026.5-0.3-01 | 2 | 2.6 | 5 | 0.3 | 0.1 |
| HS2028-0.3(4.9-0.5) | 2 | 2.8 | 0.3 | 4.9 | 0.5 |
| HS2029-0.3(4.1-0.8) | 2 | 2.9 | 0.3 | 4.1 | 0.8 |
| HS2029-0.3(4.9-0.5) | 2 | 2.9 | 0.3 | 4.9 | 0.5 |
| HS2030-0.3(5.2-1.5) | 2 | 3 | 0.3 | 5.2 | 1.5 |
| HS2030-0.3(5.8-1) | 2 | 3 | 0.3 | 5.8 | 1 |
| HS2030-0.3(8-2) | 2 | 3 | 0.3 | 8 | 2 |
| 모델 | 크기(mm) | ||||
| 에이 | 비 | 기음 | 디 | 이자형 | |
| HS2030-0.3(9-1.5) | 2 | 3 | 0.3 | 9 | 1.5 |
| HS2034-0.3(4.4-0.7) | 2 | 3.4 | 0.3 | 4.4 | 0.7 |
| HS2035-0.3(6.6-1.8) | 2 | 3.5 | 0.3 | 6.6 | 1.8 |
| HS2035-0.3(6.65-1.3) | 2 | 3.5 | 0.3 | 6.65 | 1.3 |
| HS2035-0.3(7.1-1.3) | 2 | 3.5 | 0.3 | 7.1 | 1.3 |
| HS2035-0.3(9.5-3) | 2 | 3.5 | 0.3 | 9.5 | 3 |
| HS2036-0.3(5.7-0.7) | 2 | 3.6 | 0.3 | 5.7 | 0.7 |
| HS2040A | 2 | 4 | 0.3 | 5.1 | 0.8 |
| HS2045-0.7(11.5-2) | 2 | 4.5 | 0.7 | 11.5 | 2 |
| HS2050-0.3(6.4-0.7) | 2 | 5 | 0.3 | 6.4 | 0.7 |
| HS2507-0.38(2.2-0.3) | 2.5 | 0.7 | 0.38 | 2.2 | 0.3 |
| HS2508-0.38(1.8-0.3) | 2.5 | 0.8 | 0.38 | 1.8 | 0.3 |
| HS2508-0.38(2-0.5) | 2.5 | 0.8 | 0.38 | 2 | 0.5 |
| HS2510-0.38(3.6-1.3 ) | 2.5 | 1 | 0.38 | 3.6 | 1.3 |
| HS2510-0.38(7-3) | 2.5 | 1 | 0.38 | 7 | 3 |
| HS2511-0.38(2..4-0.5) | 2.5 | 1.1 | 0.38 | 2.4 | 0.5 |
| HS2511-0.38(3.7-0.6) | 2.5 | 1.1 | 0.38 | 3.7 | 0.6 |
| HS2512-0.38(3.1-0.8) | 2.5 | 1.1 | 0.38 | 3.7 | 0.6 |
| HS4414-0.3(3.2-1.1) | 4.4 | 1.4 | 0.3 | 3.2 | 1.1 |
| 모델 | 크기(mm) | ||||
| 에이 | 비 | 기음 | 디 | 이자형 | |
| HS2516-0.3(7.5-2.14) | 2.5 | 1.6 | 0.3 | 7.5 | 2.14 |
| HS2516-0.3(8-1.8) | 2.5 | 1.6 | 0.3 | 8 | 1.8 |
| HS2516-0.38(3.5-0.7) | 2.5 | 1.6 | 0.38 | 3.5 | 0.7 |
| HS2516-0.38(4.1-1.25) | 2.5 | 1.6 | 0.38 | 4.1 | 1.25 |
| HS2516-0.38(4.3-1.2) | 2.5 | 1.6 | 0.38 | 4.3 | 1.2 |
| Ka2511-0.38(2.7-1.0) | 2.5 | 1.1 | 0.38 | 2.7 | 1 |
| Ka2516-0.38(2.9-0.3) | 2.5 | 1.6 | 0.38 | 2.9 | 0.3 |
| K2516-0.38(4-1.5) | 2.5 | 1.6 | 0.38 | 4 | 1.5 |
| HS2516-0.38(4.5-1.2) | 2.5 | 1.6 | 0.38 | 4.5 | 1.2 |
| HS2516-0.38(4.6-1) | 2.5 | 1.6 | 0.38 | 4.6 | 1 |
| HS2516E | 2.5 | 1.6 | 0.38 | 4.6 | 1.5 |
| HS2516G | 2.5 | 1.6 | 0.38 | 4.6 | 1.5 |
| HS2516-0.38(4.8-1.2) | 2.5 | 1.6 | 0.38 | 4.8 | 1.2 |
| HS2516-0.38(4.9-1.5) | 2.5 | 1.6 | 0.38 | 4.9 | 1.5 |
| HS2516-0.38(5.1-1.6) | 2.5 | 1.6 | 0.38 | 5.1 | 1.6 |
| HS2516-0.38(5.3-1.2) | 2.5 | 1.6 | 0.38 | 5.3 | 1.2 |
| Ka2516-0.38(5.6-3.0) | 2.5 | 1.6 | 0.38 | 5.6 | 3 |
| HS2516-0.38(6.1-1.3) | 2.5 | 1.6 | 0.38 | 6.1 | 1.3 |
| HS2516-0.38(7.1-1.4) | 2.5 | 1.6 | 0.38 | 7.1 | 1.4 |
| 모델 | 크기(mm) | ||||
| 에이 | 비 | 기음 | 디 | 이자형 | |
| HS2516-0.38(7.41-1.27) | 2.5 | 1.6 | 0.38 | 7.41 | 1.27 |
| HS2516F | 2.5 | 1.6 | 0.38 | 7.45 | 4.55 |
| HS2516-0.38-01 | 2.5 | 1.6 | 0.38 | 7.5 | 1.3 |
| HS2516-0.38(8-1.8) | 2.5 | 1.6 | 0.38 | 8 | 1.8 |
| RF2516-0.38(8-4.6) | 2.5 | 1.6 | 0.38 | 8 | 4.6 |
| HS2516-0.38(8-5) | 2.5 | 1.6 | 0.38 | 8 | 5 |
| K2516-0.38(8-1.5) | 2.5 | 1.6 | 0.38 | 8 | 1.5 |
| K2516-0.38(8-5.9) | 2.5 | 1.6 | 0.38 | 8 | 5.9 |
| HS2516-0.38(11.6-5) | 2.5 | 1.6 | 0.38 | 11.6 | 5 |
| HS2516-0.38(12-2.0) | 2.5 | 1.6 | 0.38 | 12 | 2 |
| HS2520-0.38(6-2) | 2.5 | 2 | 0.38 | 6 | 2 |
| HS2520-0.38(7.4-1.4) | 2.5 | 2 | 0.38 | 7.4 | 1.4 |
| HS2520-0.38(7.8-1.4) | 2.5 | 2 | 0.38 | 7.8 | 1.4 |
| HS2520-0.38(9.0-2.0) | 2.5 | 2 | 0.38 | 9 | 2 |
| HS2520-0.38(12-5) | 2.5 | 2 | 0.38 | 12 | 5 |
| HS2520-0.38(15-2) | 2.5 | 2 | 0.38 | 15 | 2 |
| HS2524-0.38(5.7-1.1) | 2.5 | 2.4 | 0.38 | 5.7 | 1.1 |
| HS2526-0.38(6.6-2) | 2.5 | 2.6 | 0.38 | 6.6 | 2 |
| HS2530-0.38(3.6-0.3) | 2.5 | 3 | 0.38 | 3.6 | 0.3 |
| 모델 | 크기(mm) | ||||
| 에이 | 비 | 기음 | 디 | 이자형 | |
| Ka2530-0.38(4.6-1.0) | 2.5 | 3 | 0.38 | 4.6 | 1 |
| HS2530A | 2.5 | 3 | 0.38 | 5 | 1 |
| HS2530-0.38(7.5-1.5) | 2.5 | 3 | 0.38 | 7.5 | 1.5 |
| HS2530-0.38(8-0.4) | 2.5 | 3 | 0.38 | 8 | 0.4 |
| HS2530-0.38(8-2) | 2.5 | 3 | 0.38 | 8 | 2 |
| HS2530-0.38(9-3) | 2.5 | 3 | 0.38 | 9 | 3 |
| HS2530-0.38(12-2.2) | 2.5 | 3 | 0.38 | 12 | 2.2 |
| HS2530-0.38(13.9-8.2) | 2.5 | 3 | 0.38 | 13.9 | 8.2 |
| HS2530-0.38(20-4) | 2.5 | 3 | 0.38 | 20 | 4 |
| HS2533-0.38(6.5-1.2) | 2.5 | 3.3 | 0.38 | 6.5 | 1.2 |
| HS2535-0.38(7.5-2) | 2.5 | 3.5 | 0.38 | 7.5 | 2 |
| HS2537-0.38(7.7-2) | 2.5 | 3.7 | 0.38 | 7.7 | 2 |
| HS2540-0.38(11-1.8) | 2.5 | 4 | 0.38 | 11 | 1.8 |
| HS2545-0.38(8-1.3) | 2.5 | 4.5 | 0.38 | 8 | 1.3 |
| HS2550-0.38(6.9-1.5) | 2.5 | 5 | 0.38 | 6.9 | 1.5 |
| HS2550-0.38(11-2) | 2.5 | 5 | 0.38 | 11 | 2 |
| HS2558-0.38(14.8-6) | 2.5 | 5.8 | 0.38 | 14.8 | 6 |
| HS2575-0.38(12-1.3) | 2.5 | 7.5 | 0.38 | 12 | 1.3 |
| HS2810-0.45(3.3-0.35) | 2.8 | 1 | 0.45 | 3.3 | 0.35 |
| 모델 | 크기(mm) | ||||
| 에이 | 비 | 기음 | 디 | 이자형 | |
| HS2815-0.45(5.75-1.25) | 2.8 | 1.5 | 0.45 | 5.75 | 1.25 |
| HS2816-0.45(4.6-1.5) | 2.8 | 1.6 | 0.45 | 4.6 | 1.5 |
| HS2816-0.45(4.9-1.8)-R | 2.8 | 1.6 | 0.45 | 4.9 | 1.8 |
| HS2816-0.45(5.1-1.5) | 2.8 | 1.6 | 0.45 | 5.1 | 1.5 |
| HS2816-0.45(5.2-1.1) | 2.8 | 1.6 | 0.45 | 5.2 | 1.1 |
| HS2816-0.45(5.4-2) | 2.8 | 1.6 | 0.45 | 5.4 | 2 |
| HS2816-0.45(5.6-2) | 2.8 | 1.6 | 0.45 | 5.6 | 2 |
| HS2816-0.45(6.2-1.8) | 2.8 | 1.6 | 0.45 | 6.2 | 1.8 |
| HS2816-0.45(8.0-4.6) | 2.8 | 1.6 | 0.45 | 8 | 4.6 |
| HS2816-0.45(8-1.8) | 2.8 | 1.6 | 0.45 | 8 | 1.8 |
| HS2816-0.45(11.6-5) | 2.8 | 1.6 | 0.45 | 11.6 | 5 |
| HS2816-0.45(12-3.0) | 2.8 | 1.6 | 0.45 | 12 | 3 |
| HS2831-0.45(5.2-1.8) | 2.8 | 3.1 | 0.45 | 5.2 | 1.8 |
| HS2843-0.45(8.3-2) | 2.8 | 4.3 | 0.45 | 8.3 | 2 |
| HS3015-0.5(4.3-0.8) | 3 | 1.5 | 0.5 | 4.3 | 0.8 |
| HS3016-0.5(3.4-0.9) | 3 | 1.6 | 0.5 | 3.4 | 0.9 |
| HS3016-0.5(4.6-1) | 3 | 1.6 | 0.5 | 4.6 | 1 |
| HS3016-0.5(4.6-1.5) | 3 | 1.6 | 0.5 | 4.6 | 1.5 |
| HS3016B | 3 | 1.6 | 0.38 | 4.9 | 1.8 |
| 모델 | 크기(mm) | ||||
| 에이 | 비 | 기음 | 디 | 이자형 | |
| HS3016-0.5(5.6-2) | 3 | 1.6 | 0.5 | 5.6 | 2 |
| HS3016C | 3 | 1.6 | 0.5 | 6.6 | 2 |
| HS3016-0.5(6.6-2.5) | 3 | 1.6 | 0.5 | 6.6 | 2.5 |
| HS3016-0.5(7.5-2) | 3 | 1.6 | 0.5 | 7.5 | 2 |
| HS3016-0.5(7.5-3.9) | 3 | 1.6 | 0.5 | 7.5 | 3.9 |
| HS3016-0.5(7.8-2.0) | 3 | 1.6 | 0.5 | 7.8 | 2 |
| HS3016-0.5(9.65-3.05) | 3 | 1.6 | 0.5 | 9.65 | 3.05 |
| HS3016-0.5(12-5.0) | 3 | 1.6 | 0.5 | 12 | 5 |
| HS3016-0.5(14.3-1.5) | 3 | 1.6 | 0.5 | 14.3 | 1.5 |
| HS3020-0.5(5-1.8) | 3 | 2 | 0.5 | 5 | 1.8 |
| HS3020-0.5(6.0-1.5) | 3 | 2 | 0.5 | 6 | 1.5 |
| HS3020-0.5(6.5-2.2) | 3 | 2 | 0.5 | 6.5 | 2.2 |
| HS3020-0.5(6.5-2.3) | 3 | 2 | 0.5 | 6.5 | 2.3 |
| HS3020-0.5(6.8-1.8) | 3 | 2 | 0.5 | 6.8 | 1.8 |
| HS3020-0.5(7.5-2.2) | 3 | 2 | 0.5 | 7.5 | 2.2 |
| HS3020-0.5(8-2) | 3 | 2 | 0.5 | 8 | 2 |
| HS3020-0.5(8.5-2.2) | 3 | 2 | 0.5 | 8.5 | 2.2 |
| HS3020-0.5(8.5-4.3) | 3 | 2 | 0.5 | 8.5 | 4.3 |
| HS3020-0.5(10-4) | 3 | 2 | 0.5 | 10 | 4 |
| 모델 | 크기(mm) | ||||
| 에이 | 비 | 기음 | 디 | 이자형 | |
| HS3020-0.5(10-1.5) | 3 | 2 | 0.5 | 10 | 1.5 |
| HS3020-0.5(12-4.0) | 3 | 2 | 0.5 | 12 | 4 |
| HS3020-0.5(12-5.0) | 3 | 2 | 0.5 | 12 | 5 |
| HS3020-0.5(12-6) | 3 | 2 | 0.5 | 12 | 6 |
| HS3020-0.5(15-2) | 3 | 2 | 0.5 | 15 | 2 |
| HS3025-0.5(5.4-1.2) | 3 | 2.5 | 0.5 | 5.4 | 1.2 |
| HS3030A | 3 | 3 | 0.38 | 10 | 1.5 |
| HS3030-0.5(6.5-2) | 3 | 3 | 0.5 | 6.5 | 2 |
| HS3030-0.5(6.6-1.8) | 3 | 3 | 0.5 | 6.6 | 1.8 |
| HS3030-0.5(7.5-2)-R | 3 | 3 | 0.5 | 7.5 | 2 |
| HS3030-0.5(8.8-1.8) | 3 | 3 | 0.5 | 8.8 | 1.8 |
| HS3030-0.5(10-2) | 3 | 3 | 0.5 | 10 | 2 |
| HS3030-0.5(12-3) | 3 | 3 | 0.5 | 12 | 3 |
| HS3030-0.5(12-2) | 3 | 3 | 0.5 | 12 | 2 |
| HS3030-0.5(14-4.0) | 3 | 3 | 0.5 | 14 | 4 |
| HS3035-0.5(6-1) | 3 | 3.5 | 0.5 | 6 | 1 |
| HS3035-0.5(11.5-4) | 3 | 3.5 | 0.5 | 11.5 | 4 |
| HS3040A | 3 | 4 | 0.5 | 10.4 | 4 |
| HS3042-0.5(9.0-2.2) | 3 | 4.2 | 0.5 | 9 | 2.2 |
| 모델 | 크기(mm) | ||||
| 에이 | 비 | 기음 | 디 | 이자형 | |
| HS3045-0.5(8.5-2) | 3 | 4.5 | 0.5 | 8.5 | 2 |
| HS3047-0.5(9.4-2.2) | 3 | 4.7 | 0.5 | 9.4 | 2.2 |
| HS3047-0.5(12-5.1) | 3 | 4.7 | 0.5 | 12 | 5.1 |
| HS3050-0.5(9-2) | 3 | 5 | 0.5 | 9 | 2 |
| HS3052A | 3 | 5.2 | 0.5 | 10.3 | 4 |
| HS3057-0.5(12.5-3) | 3 | 5.7 | 0.5 | 12.5 | 3 |
| HS3620-0.5(9-2.5) | 3.6 | 2 | 0.5 | 9 | 2.5 |
| HS3616-0.6(12.2-1.6) | 3.6 | 1.6 | 0.6 | 12.2 | 1.6 |
| HS3625-0.6(6.5-2) | 3.6 | 2.5 | 0.6 | 6.5 | 2 |
| HS2540-0.8(27-5) | 2.5 | 4 | 0.8 | 27 | 5 |
| HS4030A | 4 | 3 | 1 | 10.6 | 4.6 |
| HS5010-0.8(5.9-2.45) | 5 | 1 | 0.8 | 5.9 | 2.45 |
| HS5015-0.8(7.3-4.9) | 5 | 1.5 | 0.8 | 7.3 | 4.9 |
| HS5016B | 5 | 1.6 | 0.8 | 5.6 | 2 |
| HS5016-0.8(8.6-3.0) | 5 | 1.6 | 0.8 | 8.6 | 3 |
| HS5030-0.8(17.2-2) | 5 | 3 | 0.8 | 17.2 | 2 |
| HS5040-0.8(12-3) | 5 | 4 | 0.8 | 12 | 3 |
| HS5060-0.8(11.5-2.5) | 5 | 6 | 0.8 | 11.5 | 2.5 |
| HS5065-0.8(13.7-3) | 5 | 6.5 | 0.8 | 13.7 | 3 |
| 모델 | 크기(mm) | ||||
| 에이 | 비 | 기음 | 디 | 이자형 | |
| HS5065-0.8(15.5-3) | 5 | 6.5 | 0.8 | 15.5 | 3 |
| HS5516-0.9(8.3-2.8) | 5.5 | 1.6 | 0.9 | 8.3 | 2.8 |
| HS5516-0.9(8.5-2.8) | 5.5 | 1.6 | 0.9 | 8.5 | 2.8 |
| HS5516-0.9(8.7-2.8) | 5.5 | 1.6 | 0.9 | 8.7 | 2.8 |
| HS5516-0.9(8.9-2.8) | 5.5 | 1.6 | 0.9 | 8.9 | 2.8 |
| HS5516-0.9(9.1-2.8) | 5.5 | 1.6 | 0.9 | 9.1 | 2.8 |
| HS5516-0.9(11.9-2.8) | 5.5 | 1.6 | 0.9 | 11.9 | 2.8 |
| HS5516-0.9(12.6-2) | 5.5 | 1.6 | 0.9 | 12.6 | 2 |
| HS5516-0.9(13.8-2.8) | 5.5 | 1.6 | 0.9 | 13.8 | 2.8 |
| HS5525-0.9(9.7-1.6) | 5.5 | 2.5 | 0.9 | 9.7 | 1.6 |
| HS5525-0.9(16-5) | 5.5 | 2.5 | 0.9 | 16 | 5 |
| HS5530-0.9(8.8-2.3) | 5.5 | 3 | 0.9 | 8.8 | 2.3 |
| HS5530-0.9(9.6-2.3) | 5.5 | 3 | 0.9 | 9.6 | 2.3 |
| HS5530-0.9(13.8-2.8) | 5.5 | 3 | 0.9 | 13.8 | 2.8 |
| HS5530A | 5.5 | 3 | 1.35 | 13.5 | 7.5 |
| HS5530B | 5.5 | 3 | 1.35 | 13.8 | 7.8 |
| HS6016-1.0(8.5-1.5) | 6 | 1.6 | 1 | 8.5 | 1.5 |
| HS6840-0.9(7-1.5) | 6.8 | 4 | 0.9 | 7 | 1.5 |
| HS8330-1.3(13-5) | 8.3 | 3 | 1.3 | 13 | 5 |
| 모델 | 크기(mm) | ||||
| 에이 | 비 | 기음 | 디 | 이자형 | |
| Ka2008-0.3(1.4-0.3) | 2 | 0.8 | 0.3 | 1.4 | 0.3 |
| HS2008-0.3(1.65-0.35) | 2 | 0.8 | 0.3 | 1.65 | 0.35 |
| Ka2008-0.3(1.8-0.3) | 2 | 0.8 | 0.3 | 1.8 | 0.3 |
| HS2010-0.3(1.9-0.35) | 2 | 1 | 0.3 | 1.9 | 0.35 |
| HS2010-0.3(2-0.5) | 2 | 1 | 0.3 | 2 | 0.5 |
| HS2010-0.3(2.5-0.5) | 2 | 1 | 0.3 | 2.5 | 0.5 |
| HS2013-0.3(2.4-0.4) | 2 | 1.3 | 0.3 | 2.4 | 0.4 |
| HS2014-0.3(2.6-0.4) | 2 | 1.4 | 0.3 | 2.6 | 0.4 |
| HS2014E | 2 | 1.4 | 0.3 | 2.3 | 0.45 |
| HS2014F | 2 | 1.4 | 0.3 | 2.35 | 0.5 |
| HS2016-0.3-01 | 2 | 1.6 | 0.3 | 3.1 | 1 |
| HS2016-0.3(3.3-0.7) | 2 | 1.6 | 0.3 | 3.3 | 0.7 |
| HS2016-0.3-02 | 2 | 1.6 | 0.3 | 3.3 | 1 |
| HS2016-0.3(5.6-2) | 2 | 1.6 | 0.3 | 5.6 | 2 |
| HS2019-0.3(3-0.35) | 2 | 1.9 | 0.3 | 3 | 0.35 |
| HS2020-0.3-02 | 2 | 2 | 0.3 | 3.5 | 0.5 |
| HS2020-0.3(3.6-0.8) | 2 | 2 | 0.3 | 3.6 | 0.8 |
| HS2030-0.3(4.2-0.7) | 2 | 3 | 0.3 | 4.2 | 0.7 |
| 모델 | 크기(mm) | ||||
| 에이 | 비 | 기음 | 디 | 이자형 | |
| HS8740-1.38(8.4-3.2) | 8.7 | 4 | 1.38 | 8.4 | 3.2 |
| HS9430-1.5(9-3) | 9.4 | 3 | 1.5 | 9 | 3 |
| HS9430-1.5(11-4) | 9.4 | 3 | 1.5 | 11 | 4 |
| HS9640-1.5(9.2-3.2) | 9.6 | 4 | 1.5 | 9.2 | 3.2 |
| HS10050-1.7(15-5) | 10 | 5 | 1.7 | 15 | 5 |
| HS130100-3(18-4) | 13 | 10 | 3 | 18 | 4 |
| 모델 | 크기(mm) | ||||
| 에이 | 비 | 기음 | 디 | 이자형 | |
| HS2330-0.23(5.3-0.3) | 2.3 | 3 | 0.23 | 5.3 | 0.3 |
| HS2815-0.3(5.2-1.2) | 2.8 | 1.5 | 0.3 | 5.2 | 1.2 |
| HS2815-0.3(7.2-1.2) | 2.8 | 1.5 | 0.3 | 7.2 | 1.2 |
| HS2635-0.3(7.1-1.3) | 2.6 | 3.5 | 0.3 | 7.1 | 1.3 |
| HS3822-0.5(14.4-3.7) | 3.8 | 2.2 | 0.5 | 14.4 | 3.7 |
| HS3525-0.5(11.5-6) | 3.5 | 2.5 | 0.5 | 11.5 | 6 |
| 모델 | 크기(mm) | ||||
| 에이 | 비 | 기음 | 디 | 이자형 | |
| HS2516-0.38(5.1-2) | 2.5 | 1.6 | 0.38 | 5.1 | 2 |
| HS2516-0.38(7.37-4.5) | 2.5 | 1.6 | 0.38 | 7.37 | 4.5 |
| HS2517-0.38-01 | 2.5 | 1.7 | 0.38 | 2.7 | 0.65 |
| HS2520-0.38(3.2-0.5) | 2.5 | 2 | 0.38 | 3.2 | 0.5 |
| HS2525-0.38-01 | 2.5 | 2.5 | 0.38 | 3.65 | 0.65 |
| HS2530-0.38(7.5-2.5) | 2.5 | 3 | 0.38 | 7.5 | 2.5 |
| HS2816-0.45(4.9-1.8) | 2.8 | 1.6 | 0.45 | 4.9 | 1.8 |
| HS2816-0.45-01 | 2.8 | 1.6 | 0.45 | 5 | 3 |
| HS2816-0.45(6-1.5) | 2.8 | 1.6 | 0.45 | 6 | 1.5 |
| HS3030-0.5(7.5-2) | 3 | 3 | 0.5 | 7.5 | 2 |
| 모델 | 크기(mm) | ||||
| 에이 | 비 | 기음 | 디 | 이자형 | |
| HS2006-0.3(3.1-1.8) | 2 | 0.6 | 0.3 | 3.1 | 1.8 |
| HS2010-0.3(3.5-2) | 2 | 1 | 0.3 | 3.5 | 2 |
| HS2020-0.3-01 | 2 | 2 | 0.3 | 3.7 | 0.6 |
| HS2035-0.3(6.4-1.8) | 2 | 3.5 | 0.3 | 6.4 | 1.8 |
| HS2816-0.45(11.7-7.6) | 2.8 | 1.6 | 0.45 | 11.7 | 7.6 |
| HS3020-0.5(10-6.5) | 3 | 2 | 0.5 | 10 | 6.5 |
| HS3216-0.5(7.1-4) | 3.2 | 1.6 | 0.5 | 7.1 | 4 |
| HS6448-1.0(10.2-3.5) | 6.4 | 4.8 | 1 | 10.2 | 3.5 |
| 모델 |
| Ka2032-0.3(4.5-1.3) |
| 모델 |
| K2010-0.3(1.05-0.05) |
| 모델 |
| HS2510-0.3-02 |
| 모델 |
| HS3520-0.5(3.4-0.3) |
| 모델 |
| Ka3216-0.5(5.85-1.5) |
| 모델 |
| K2515-0.38(2.9-0.3) |
| 모델 |
| 2-K482515-0.38(2.9-0.3) |
| 모델 |
| KW2016-0.3(0.7-1.6) |
| 모델 |
| KW2016-0.3(1-2.2) |
| 모델 |
| KW2025-0.3(1-2.2) |
| 모델 |
| JPW2040-0.3-01 |
| 모델 |
| KW2018-0.3(0.95-2.1) |
| 모델 | 크기(mm) | ||||
| 에이 | 비 | 기음 | 디 | 이자형 | |
| JD1515-0.4(5-1.5) | 1.5 | 1.5 | 0.4 | 5 | 5 |
| JD1615-0.4(8-1.9) | 1.6 | 1.5 | 0.4 | 8 | 8 |
| JD1616-0.4(30-14.2) | 1.6 | 1.6 | 0.4 | 30 | 30 |
| JD1614-0.45(11.4-5) | 1.6 | 1.4 | 0.45 | 11.4 | 11.4 |
| JD1616-0.45(4.65-1.05) | 1.6 | 1.6 | 0.45 | 4.65 | 4.65 |
| JD1616-0.45(16-4) | 1.6 | 1.6 | 0.45 | 16 | 16 |
| JD1616-0.45(30-14.2) | 1.6 | 1.6 | 0.45 | 30 | 30 |
| JD2020-0.45(6.3-3) | 2 | 2 | 0.45 | 6.3 | 6.3 |
| JD2020-0.45(10-4) | 2 | 2 | 0.45 | 10 | 10 |
| JD1614-0.5(9-4) | 1.6 | 1.4 | 0.5 | 9 | 9 |
| JD1616-0.5(30-14.2) | 1.6 | 1.6 | 0.5 | 30 | 30 |
| JD1619-0.5(5.1-2) | 1.6 | 1.9 | 0.5 | 5.1 | 5.1 |
| HS2015-0.5(7.5-3) | 2 | 1.5 | 0.5 | 7.5 | 7.5 |
| JD2016-0.5(12-5.8)-R | 2 | 1.6 | 0.5 | 12 | 12 |
| HS2018-0.5(9.5-1.5) | 2 | 1.8 | 0.5 | 9.5 | 9.5 |
| HS2018-0.5(11.5-7.2) | 2 | 1.8 | 0.5 | 11.5 | 11.5 |
| HS2030-0.5(10-2) | 2 | 3 | 0.5 | 10 | 10 |
| JD1919-0.6(7.9-1.9)-R | 1.9 | 1.9 | 0.6 | 7.9 | 7.9 |
| 모델 | 크기(mm) | ||||
| 에이 | 비 | 기음 | 디 | 이자형 | |
| HS2040-0.6(6-1) | 2 | 4 | 0.6 | 6 | 1 |
| JD1818-0.7(10-6) | 1.8 | 1.8 | 0.7 | 10 | 6 |
| JD1818-0.7(22.2-0.4) | 1.8 | 1.8 | 0.7 | 22.2 | 0.4 |
| HS2016-0.7(4.6-1.5) | 2 | 1.6 | 0.7 | 4.6 | 1.5 |
| HS2016-0.7(6.3-1.5) | 2 | 1.6 | 0.7 | 6.3 | 1.5 |
| HS2016-0.7(7.1-1.5)-R | 2 | 1.6 | 0.7 | 7.1 | 1.5 |
| HS2016-0.7(7.6-1.5) | 2 | 1.6 | 0.7 | 7.6 | 1.5 |
| HS2016-0.7(9.6-4) | 2 | 1.6 | 0.7 | 9.6 | 4 |
| K2016-0.7(11-4.6) | 2 | 1.6 | 0.7 | 11 | 4.6 |
| HS2016-0.7(11.6-5) | 2 | 1.6 | 0.7 | 11.6 | 5 |
| HS2016-0.7(17-15.1) | 2 | 1.6 | 0.7 | 17 | 15.1 |
| HS2016-0.7(20-0.3) | 2 | 1.6 | 0.7 | 20 | 0.3 |
| HS2017-0.7(9.7-3) | 2 | 1.7 | 0.7 | 9.7 | 3 |
| HS2035-0.7(13-3) | 2 | 3.5 | 0.7 | 13 | 3 |
| HS2020-0.75(12-4) | 2 | 2 | 0.75 | 12 | 4 |
| HS2015-0.8(6.5-3) | 2 | 1.5 | 0.8 | 6.5 | 3 |
| JD2015-0.8(10.5-3) | 2 | 1.5 | 0.8 | 10.5 | 3 |
| JD2063-0.5(10.3-2) | 2 | 6.3 | 0.5 | 10.3 | 2 |
| 모델 | 크기(mm) | ||||
| 에이 | 비 | 기음 | 디 | 이자형 | |
| JD2518-0.8(12.8-5) | 2.5 | 1.8 | 0.8 | 12.8 | 5 |
| JD2520-0.8(14-4) | 2.5 | 2 | 0.8 | 14 | 4 |
| JD2540-0.8(10-4) | 2.5 | 4 | 0.8 | 10 | 4 |
| JD3218-0.8(51.8-20) | 3.2 | 1.8 | 0.8 | 51.8 | 20 |
| JD2530-0.9(6.6-1.8) | 2.5 | 3 | 0.9 | 6.6 | 1.8 |
| JD2540A | 2.5 | 4 | 0.8 | 10 | 4 |
| JD2816-1(6.6-2) | 2.8 | 1.6 | 1 | 6.6 | 2 |
| K2816-1.0(16-10) | 2.8 | 1.6 | 1 | 16 | 10 |
| JD3218-1(27-15) | 3.2 | 1.8 | 1 | 27 | 15 |
| JD3015-1.3(10.2-6.1) | 3 | 1.5 | 1.3 | 10.2 | 6.1 |
| JD3015-1.3(10.5-3) | 3 | 1.5 | 1.3 | 10.5 | 3 |
| JD3430-1.4(10.5-4.5) | 3.4 | 3 | 1.4 | 10.5 | 4.5 |
| JD12940-1.7(10-3) | 12.9 | 4 | 1.7 | 10 | 3 |
| JD3916-2(6.6-2) | 3.9 | 1.6 | 2 | 6.6 | 2 |
| 모델 | 크기(mm) | ||||
| 에이 | 비 | 기음 | 디 | 이자형 | |
| JD1510-0.3-01 | 1.5 | 1 | 0.3 | 5.5 | 1.5 |
| JD1315-0.35-01 | 1.3 | 1.5 | 0.35 | 3.5 | 0.3 |
| JD1515-0.4(4.5-0.5) | 1.5 | 1.5 | 0.4 | 4.5 | 0.5 |
| JD1516-0.4-01 | 1.5 | 1.6 | 0.4 | 14.6 | 1 |
| JD1615-0.5(7-0.5) | 1.6 | 1.5 | 0.5 | 7 | 0.5 |
| JD1619-0.5(8.7-3) | 1.6 | 1.9 | 0.5 | 8.7 | 3 |
| JD1619-0.5(10.3-4.6) | 1.6 | 1.9 | 0.5 | 10.3 | 4.6 |
| JD2016-0.5(4.5-0.6) | 2 | 1.6 | 0.5 | 4.5 | 0.6 |
| JD2016-0.5(12-5.8) | 2 | 1.6 | 0.5 | 12 | 5.8 |
| JD2020-0.5-01 | 2 | 2 | 0.5 | 5.2 | 0.5 |
| JD2044-0.5(6.3-0.4) | 2 | 4.4 | 0.5 | 6.3 | 0.4 |
| JD1919-0.6(7.9-1.9) | 1.9 | 1.9 | 0.6 | 7.9 | 1.9 |
| RF2010-0.7(6.0-3.0) | 2 | 1 | 0.7 | 6 | 3 |
| JD2015-0.8(6.5-3) | 2 | 1.5 | 0.8 | 6.5 | 3 |
| RF2016-0.8(6.6-4.5) | 2 | 1.6 | 0.8 | 6.6 | 4.5 |
| JD2816-1(10.3-4.9) | 2.8 | 1.6 | 1 | 10.3 | 4.9 |
| 모델 | 크기(mm) | ||||
| 에이 | 비 | 기음 | 디 | 이자형 | |
| RF1515-0.38(2.9-0.3) | 1.5 | 1.5 | 0.38 | 2.9 | 0.3 |
| JD1614-0.5(17.9-0.5) | 1.6 | 1.4 | 0.5 | 17.9 | 0.5 |
| JD1615-0.5(9-2.5) | 1.6 | 1.5 | 0.5 | 9 | 2.5 |
| JD2016-0.7(8.1-4.5) | 2 | 1.6 | 0.7 | 8.4 | 4.5 |
| JD2040-0.6(10-4.5) | 2 | 4 | 0.6 | 10 | 4.5 |
| JD2016-0.7(9.1-2.5) | 2 | 1.6 | 0.7 | 9.1 | 2.5 |
| JD2035-0.7(22-3) | 2 | 3.5 | 0.7 | 22 | 3 |
| 모델 | 크기(mm) | ||||||
| 에이 | 비 | 기음 | 디 | 이자형 | 에프 | G | |
| JD1616-0.45(4.2-1.5) | 1.4 | 1.5 | 4.2 | 0.45 | 1.6 | 0.8 | 0.3 |
| JD1614-0.45(6.2-0.8) | 1.4 | 0.8 | 6.2 | 0.45 | 1.6 | 0.8 | 0.3 |
| JD1614-0.45(6.9-1.5) | 1.4 | 1.5 | 6.9 | 0.45 | 1.6 | 0.8 | 0.2 |
| JD1620-0.45(7-1) | 2 | 1 | 7 | 0.45 | 1.6 | 1 | 0.3 |
| JD1630-0.5(7.5-0.5) | 3 | 0.5 | 7.5 | 0.5 | 1.6 | 0.6 | 0.2 |
| JD1630-0.5(10.5-0.5) | 3 | 0.5 | 10.5 | 0.5 | 1.6 | 0.6 | 0.2 |
| JD1816-0.5(20-0.5) | 1.6 | 0.5 | 20 | 0.5 | 1.8 | 0.7 | 0.3 |
| JD2020B | 2 | 2 | 0.6 | 5.7 | 1 | ||
| 모델 |
| JP2016-0.7(7.1-1.5) |
| 모델 | 크기(mm) | ||||||
| 에이 | 비 | 기음 | 디 | 이자형 | 에프 | G | |
| JD1614-0.45(6.9-1.5)-R | 1.4 | 1.5 | 6.9 | 0.45 | 1.6 | 0.8 | 0.2 |
| JD1630-0.5(7.5-0.5)-R | 3 | 0.5 | 7.5 | 0.5 | 1.6 | 0.6 | 0.2 |
| 모델 | 크기(mm) | ||||||
| 에이 | 비 | 기음 | 디 | 이자형 | 에프 | G | |
| JD1614-0.45(6.9-1.5)-R | 1.4 | 1.5 | 6.9 | 0.45 | 1.6 | 0.8 | 0.2 |
| JD1630-0.5(7.5-0.5)-R | 3 | 0.5 | 7.5 | 0.5 | 1.6 | 0.6 | 0.2 |
| 모델 |
| JD1516-0.4-02 |
| 모델 |
| RF1816-0.8(6.6-4.5)-2 |
| 모델 |
| 2-RF281515-0.38(2.9-0.3) |
| 모델 |
| 2-RF301516-0.5(5.85-1.5) |
| 모델 |
| JD301520-0.5-01 |
| 모델 |
| JD301515-0.5-01 |
| 모델 |
| JD301515-0.5-01 |
| 모델 |
| JD271516-0.4-02 |
| 모델 |
| JD271516-0.4-01 |
| 모델 |
| JD2615-0.35-01 |
| 모델 |
| 3-RF411515-0.38(2.9-0.3) |
| 모델 |
| 3-RF421516-0.5(5.85-1.5) |
| 모델 |
| JD261516-0.3-01 |
| 모델 |
| JD391516-0.4-01 |
| 모델 |
| JD2815-0.35-01 |
| 모델 |
| RF3416-0.8(6.6-4.5)-4 |
| 모델 |
| 4-RF3416-0.5(5.85-1.5) |
| 모델 |
| JD341315-0.35-01 |
| 모델 |
| JD272716-0.4-01 |
| 모델 |
| JD511516-0.4-01 |
| 모델 |
| JD2016-0.3-01 |
| 모델 |
| JD3115-0.35-01 |
| 모델 |
| JD631516-0.4-01 |
| 모델 |
| RF1816-0.8(6.6-4.5)-6 |
| 모델 |
| 6-RF811515-0.5(0.5-8.2) |
| 모델 |
| 6-RF821515-0.5(5.5-2.5) |
| 모델 |
| JD501516-0.4-01 |
| 모델 |
| JD811520-0.5-0.1 |
| 모델 |
| 7-RF941515-0.5(5.5-2.5) |
| 모델 |
| JD1201515-0.5-01 |
| 모델 |
| JMC-265-JH |
| 모델 |
| JD1201515-0.5-02 |
| 모델 |
| RF1816-0.8(6.6-4.5)-9 |
| 모델 |
| JYZ22-0.45-01 |
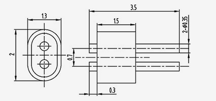
| 모델 | 크기(mm) | ||||||||||
| 에이 | 비 | 기음 | 디 | 이자형 | 에프 | G | 시간 | 풀스루 | 열 | 종료 | |
| JD156018-0.3(27.2-0.8)-8 | 27.2 | 0.8 | 1.4 | 6 | 1.8 | 0.6 | 0.3 | 0 | 8 | 1 | 내부 도체 상면 본딩 |
| JD151152-0.3(4.5-1.5)-9 | 4.5 | 1.5 | 1.5 | 11.5 | 2 | 1.27 | 0.3 | 0 | 9 | 1 | 납땜 |
| 2-JD162020-0.3(5-1.7)-4 | 에이1=5 에이2=3.6 | 비1=1.7 비2=1 | 1.6 | 2 | 2 | 0.57 | 0.3 | 0.57 | 4 | 2 | 에프lat bonding on both sides of the inner conductors |
| 2-JD162020-0.3(7.6-1.7)-4 | 에이1=7.6 에이2=3.6 | 비1=1.7 비2=1 | 1.6 | 2 | 2 | 0.57 | 0.3 | 0.56 | 4 | 2 | 에프lat bonding on both sides of inner conductor ends |
| JD158215-0.38(7-0.8)-6 | 7 | 0.8 | 1.5 | 8.2 | 1.5 | 1.27 | 0.38 | 0 | 6 | 1 | 윗손톱머리 페이스 본딩 |
| JD153015-0.38(8-1.9)-2 | 8 | 1.9 | 1.5 | 3 | 1.5 | 1.27 | 0.38 | 0 | 2 | 1 | 용접됨 |
| 2-JD162525-0.38(10.6-3.5)-4 | 10.6 | 3.5 | 1.6 | 2.5 | 2.5 | 0.71 | 0.38 | 0.71 | 4 | 2 | 납땜 |
| 2-JD187425-0.38(3.8-1)-16 | 에이1=3.8 에이2=5.2 | 비1=1 비2=1.7 | 1.8 | 7.4 | 2.5 4 | 0.88 | 0.38 | 1.02 | 16 | 2 | 내부 도체 끝이 평평해지고 옆으로 접착됨 |
| JD1510516-0.45(7.5-2)-8 | 7.5 | 2 | 1.5 | 10.5 | 1.6 | 1.27 | 0.45 | 0 | 8 | 1 | 납땜 |
| JD155515-0.5(5.7-1.7}-4 | 5.7 | 1.7 | 1.5 | 5.5 | 1.5 | 1.27 | 0.5 | 0 | 4 | 1 | 내부 도체 윗면 편평 본딩 |
| JD1512015-0.5(5.8-2.5)-9 | 5.8 | 2.5 | 1.5 | 12 | 1.5 | 1.27 | 0.5 | 0 | 9 | 1 | 하부 내부 도체 편평한 측면 본딩 |
| JD153015-0.5(7-0.5)-2 | 7 | 0.5 | 1.5 | 3 | 1.5 | 1.27 | 0.5 | 0 | 2 | 1 | 비onding of inner conductor ends |
| 모델 | 크기(mm) | ||||||||||
| 에이 | 비 | 기음 | 디 | 이자형 | 에프 | G | 시간 | 풀스루 | 열 | 종료 | |
| JD153815-0.5(7.7-1.2)-2 | 7.7 | 1.2 | 1.5 | 3.8 | 1.5 | 2.1 | 0.5 | 0 | 2 | 1 | 내부 도체 윗면 편평 본딩 |
| JD153015-0.5(13.5-4)-2 | 13.5 | 4 | 1.5 | 3 | 1.5 | 1.27 | 0.5 | 0 | 2 | 1 | 용접 |
| JD1613215-0.5(10.6-2)-10 | 10.6 | 2 | 1.6 | 13.2 | 1.5 | 1.27 | 0.5 | 0 | 10 | 1 | 납땜 |
| JD302915-0.5(8-1)-2 | 8 | 1 | 3 | 2.9 | 1.5 | 1.27 | 0.5 | 0 | 2 | 1 | 내부 도체 상면 본딩 |
| 2-JD165528-0.5(7.6-1)-8 | 7.6 | 1 | 1.6 | 5.5 | 2.8 | 1.07 | 0.5 | 0 | 8 | 2 | 내부 도체 상면 본딩 |
| 2-JD154330-0.5(5.8-2)-5 | 에이l=5.8 에이2=5.1 | 비1=2 비2=1.3 | 1.5 | 4.3 | 3 | 1.27 | 0.5 | 1.5 | 5 | 2 | 솔더 윗면 평탄화 |
| 2-JD156830-0.5(5.8-2)-9 | 에이l=5.8 에이2=5.1 | 비1=2 비2=1.3 | 1.5 | 6.8 | N | 1.27 | 0.5 | 1.5 | 6 | 2 | 내부 도체 윗면의 용접 편평화 |
| 2-JD1512030-0.5(9.3-2.8)-18 | 에이1=9.3 에이2=8 | 비1=2.8 비2=1.5 | 1.5 | 12 | 3 | 1.27 | 0.5 | 1.5 | 18 | 2 | 용접 Flattening of inner conductor ends |
| 3-JD155545-0.5(9.5-4)-12 | 에이l=9.5 에이2=7.5 에이3=5.5 | 비1=4 비2=3 비3=2 | 1.5 | 5.5 | 4.5 | 1.27 | 0.5 | 1.5 | 12 | 3 | 납땜 |
| 2-JD207015-0.6(7-3)-10 | 에이1=7 에이2=6 | 비1=3 비2=2 | 2 | 7 | 1.5 | 1.27 | 0.6 | 1.5 | 10 | 2 | 내부 도체가 편평해지고 양쪽이 접착됨 |
| 2-JD3012230-0.6(10.8-5)18 | 10.8 | 5 | 3 | 12.2 | 3 | 1.27 | 0.6 | 1.5 | 18 | 2 | 하부 내부 도체 측면 편평 본딩 |
| 모델 |
| JYZ22-0.45-02 |
계속 연락하세요
RF 동축 어댑터는 무선 통신, 전자 장비 및 신호 전송에 없어서는 안될 구성 요소입니다. 이는 다양한 RF 동축 케이블과 장치를 연결하는 브리지 역할을 하여 안정적이고 효율적인 신호 전송을 보장합니다. 그러나 시장에 나와 있는 수많은 RF 동축 어댑터 모델과 사양으로 인해 올바른 제품을 선택하는 것이 많은 엔지니어...
READ MORERF(무선 주파수) 커넥터는 현대 통신 및 전자 장비, 특히 고주파 신호 전송에서 중요한 역할을 합니다. 무선 통신, 5G 네트워크, 위성 통신 또는 방송, TV, 레이더 시스템과 같은 애플리케이션에서 RF 커넥터는 신호 안정성과 무결성을 보장해야 합니다. 그러나 실제 응용 분야에서 RF 커넥터는 장비의 정상적인 작...
READ MORERF 케이블 어셈블리 무선 주파수(RF) 신호 전송에 사용되는 핵심 전기 부품입니다. RF 케이블, 커넥터, 기타 보조 부품으로 구성되며 통신, 레이더, 위성, 방송, 무선 네트워크 등 다양한 고주파 신호 전송 시스템에 널리 사용됩니다. RF 케이블 어셈블리는 안정적인 신호 전송을 보장할 뿐만 아니라 복잡...
READ MORESMA 커넥터 통신 장비, 마이크로파 시스템, 안테나, 테스트 장비, GPS, 레이더 및 기타 고주파 시스템에 널리 사용되는 RF 애플리케이션에서 가장 일반적이고 널리 사용되는 동축 커넥터 중 하나입니다. SMA 커넥터의 구조는 단순해 보이지만 설치나 연결 시 작은 실수라도 신호 감쇠, VSWR 증가, 접...
READ MORE오늘 통화 요청