OEM BNC 커넥터 Supplier

닝보한손통신기술유한회사 / 제품 / RF 동축 커넥터 / BNC 커넥터

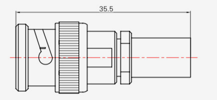
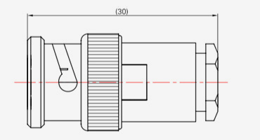
BNC 커넥터

설명:

BNC 시리즈 RF 동축 커넥터는 미국 군사 표준 MIL-C-39012에 따라 개발된 총검형 RF 동축 커넥터입니다. 빠른 연결과 안정적인 접촉이 특징이며 세계에서 가장 널리 사용되고 사용되는 커넥터 중 하나입니다. BNC 시리즈 RF 동축 커넥터의 특성 임피던스는 50Ω과 75Ω으로 나누어지며, 두 개의 서로 다른 임피던스 커넥터의 크기가 일치합니다.

매개변수:

주요 기술 사양:
◆ 특성 임피던스: 50Ω/75Ω
◆ 주파수 범위: DC-4GHz(50Ω)/DC-1GHz(75Ω)
◆ 절연 저항: ≥5000MΩ
◆ 유전체 내전압: 1500V(rms)
◆ 전압 정재파 비율(VSWR): ≤1.25
◆ 결합주기: 500회

묻다

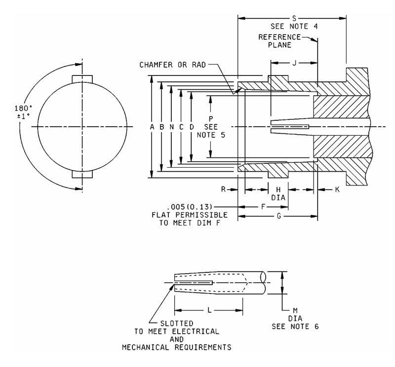
어둑한
엘tr
밀리미터(인치)
최저한의 최고
에이 .432 (10.97) .436 (11.07)
.378 (9.60) .382 (9.70)
기음 .327 (8.31) .333 (8.46)
.319 (8.10) .321 (8.15)
에프 .204 (5.18) .208 (5.28)
G .327(8.31) .335 (8.51)
시간 .075 (1.91) 081(2.06)
.186(4.72) .206 (5.23)
케이 ------- .006(0.15)
.195 (4.95) -------
.081 (2.06) 087 (2.21)
N .346(8.79) .356 (9.04)
------- .256 (6.50)
아르 자형 .015 (0.38) .030 (0.76)
에스 .414 (10.52) -------

참고:
1. 치수는 인치 단위입니다. 미터법 등가물은 괄호 안에 있습니다.
2. 미터법 등가물은 일반 정보용으로만 제공됩니다.
3. 이 인터페이스는 디SCC 도면 또는 사양에 지정된 게이지 요구 사항을 충족해야 합니다.
4. 짝을 이루는 커넥터 커플링 너트의 여유 공간.
5. "피" 치수는 치수 케이만큼 기준 평면 이상으로 확장되는 유전체 부분(해당하는 경우)에 적용됩니다.
6. "중"은 길이 "L"에만 적용됩니다.

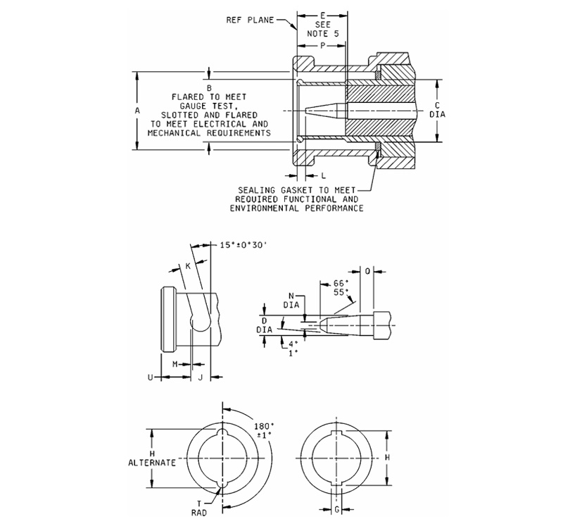
어둑한
엘tr
밀리미터(인치)
최저한의 최고
에이 385 (9.78) .390 (9.91)
게이지 테스트
.052 (1.32) .054 (1.37)
이자형 .210 (5.33) .230 (5.84)
G .091(2.31) .097 (2.46)
시간 .463 (11.76) .473 (12.01)
시간 alternate .394 (10.01) .400 (10.16)
제이 .124(3.15) -------
케이 .091(2.31) .097 (2.46)
.003 (0.08) -------
.018 (0.46) .022 (0.56)
N ------- .025 (0.64)
.208 (5.28) -------
.078 (1.98) -------
.045 (1.14) .049 (1.24)
.180(4.57) .184 (4.67)

참고:
1. 치수는 인치 단위입니다. 미터법 등가물은 괄호 안에 있습니다.
2. 미터법 등가물은 일반 정보용으로만 제공됩니다.
3. 결합 상태에서 커플링 메커니즘의 스프링 종방향 힘은 기준면에서 외부 접점의 맞대기를 보장하는 데 필요한 양만큼 밀봉 개스킷에 의해 가해지는 압력을 초과해야 합니다.
4. 이 인터페이스는 지정된 게이지 요구 사항을 충족해야 합니다.

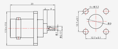
BNC SERIES
  • BNC-JB3
    BNC-JB3
    모델 케이블 유형
    BNC-JB3 SFT-50-3、670-141
  • BNC-KB3
    BNC-KB3
    모델 케이블 유형
    BNC-KB3 SFT-50-3,670-141
  • BNC-KYB2
    BNC-KYB2
    모델 케이블 유형
    BNC-KYB2 SFT-50-2,670-086 Φ2.2
    BNC-KYB3 SFT-50-2,670-141 Φ3.6
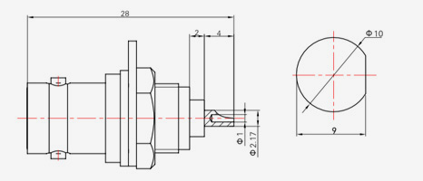
  • BNC-J3
    BNC-J3
    모델 케이블 유형
    BNC-J3 SYV-50-2-1,RG316
    BNC-J4 SYV-50-2-2
    BNC-J5,(K)5 SYV-50-3,SFCJ-50-3-51,RG142
    BNC-J7 SYV-50-5-1,SFCJ-50-5-51
    BNC-J10 SYV-50-7-1,SYV-50-7-2,SFCJ-50-7-51
  • BNC-J3Y
    BNC-J3Y
    모델 케이블 유형
    BNC-J3Y SYV-50-2-1
    BNC-J5Y SYV-50-3
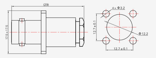
  • BNC-J12
    BNC-J12
    모델 케이블 유형
    BNC-J12 SYV-75-3
  • BNC-75J13Y
    BNC-75J13Y
    모델 케이블 유형
    BNC-75J13Y SYV-75-5
  • BNC-JW3Y
    BNC-JW3Y
    모델 케이블 유형
    BNC-JW3Y SYV-50-2-1,RG316
  • BNC-KF3
    BNC-KF3
    모델 케이블 유형
    BNC-KF3 SYV-50-2-1,RG316
    BNC-KF4 SYV-50-2-2
    BNC-KF5 SYV-50-3,SFCJ-50-3-51,RG142
  • BNC-KY3
    BNC-KY3
    모델 케이블 유형
    BNC-KY3 SYV-50-2-1,RG316
    BNC-KY4 SYV-50-2-2
    BNC-KY5 SYV-50-3,SFCJ-50-3-51,RG142
  • BNC-KF
    BNC-KF
  • BNC-KY
    BNC-KY

계속 연락하세요

[#입력#]
제출
회사 소개
닝보한손통신기술유한회사
닝보한손통신기술유한회사
Ningbo Hanson Communication Technology Co., Ltd. is China BNC 커넥터 Supplier and Custom BNC 커넥터 Company. We are a manufacturer specializing in the production, processing, and trade of communication components, with more than 30 years of experience in RF coaxial connectors, adapters, and cable assemblies. 이제 회사는 자체 가공 작업장, 전기 도금 작업장, 조립 작업장 및 안정적이고 신뢰할 수 있는 공급업체 그룹을 개발했습니다. 회사의 목적은 고객에게 고품질의 제품을 제공하는 것입니다. 주요 제품 RF 동축 커넥터, 어댑터, 고주파 케이블 어셈블리 및 낮은 상호 변조 케이블 어셈블리입니다. 또한 회사는 제품에 대한 고객의 특별한 요구 사항을 충족하기 위해 맞춤형 요구 사항을 가진 고객에게 서비스를 제공할 수도 있습니다. 이 회사의 제품은 항공우주, 통신 기지국, 의료 장비 및 기타 첨단 기술 분야에서 널리 사용됩니다. 기업 개혁, 혁신, 개발 및 성장 당시 회사는 ISO9001 국제 품질 관리 시스템에 가입하고 신규 고객과 기존 고객에게 더욱 만족스러운 제품과 서비스를 제공하기 위해 관리 수준을 지속적으로 향상시키는 데 앞장섰습니다.
최신 뉴스
  • RF 동축 어댑터는 무선 통신, 전자 장비 및 신호 전송에 없어서는 안될 구성 요소입니다. 이는 다양한 RF 동축 케이블과 장치를 연결하는 브리지 역할을 하여 안정적이고 효율적인 신호 전송을 보장합니다. 그러나 시장에 나와 있는 수많은 RF 동축 어댑터 모델과 사양으로 인해 올바른 제품을 선택하는 것이 많은 엔지니어...

    READ MORE
  • RF(무선 주파수) 커넥터는 현대 통신 및 전자 장비, 특히 고주파 신호 전송에서 중요한 역할을 합니다. 무선 통신, 5G 네트워크, 위성 통신 또는 방송, TV, 레이더 시스템과 같은 애플리케이션에서 RF 커넥터는 신호 안정성과 무결성을 보장해야 합니다. 그러나 실제 응용 분야에서 RF 커넥터는 장비의 정상적인 작...

    READ MORE
  • RF 케이블 어셈블리 무선 주파수(RF) 신호 전송에 사용되는 핵심 전기 부품입니다. RF 케이블, 커넥터, 기타 보조 부품으로 구성되며 통신, 레이더, 위성, 방송, 무선 네트워크 등 다양한 고주파 신호 전송 시스템에 널리 사용됩니다. RF 케이블 어셈블리는 안정적인 신호 전송을 보장할 뿐만 아니라 복잡...

    READ MORE
  • SMA 커넥터 통신 장비, 마이크로파 시스템, 안테나, 테스트 장비, GPS, 레이더 및 기타 고주파 시스템에 널리 사용되는 RF 애플리케이션에서 가장 일반적이고 널리 사용되는 동축 커넥터 중 하나입니다. SMA 커넥터의 구조는 단순해 보이지만 설치나 연결 시 작은 실수라도 신호 감쇠, VSWR 증가, 접...

    READ MORE
사업 기회를 찾고 계십니까?

오늘 통화 요청