OEM TNC 커넥터 Supplier

닝보한손통신기술유한회사 / 제품 / RF 동축 커넥터 / TNC 커넥터

TNC 커넥터

설명:

TNC 시리즈 RF 동축 커넥터는 미국 군사 표준 MIL-C-39012에 따라 개발 및 생산됩니다. 넓은 대역폭, 안정적인 연결 및 우수한 충격 저항 특성을 가지고 있습니다. 무선 장비, 전자 기기, 각종 레이저 부품의 신호 입출력을 위한 커넥터 및 RF 케이블에 적합합니다.

매개변수:

주요 기술 사양:
◆ 특성 임피던스: 50Ω
◆ 주파수 범위: DC-18GHz
◆ 절연 저항: ≥5000MΩ
◆ 유전체 내전압: 1500V(rms)
◆ 전압 정재파 비율(VSWR): ≤1.30
◆ 결합주기: 500회

묻다

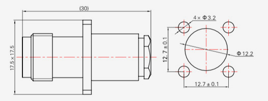
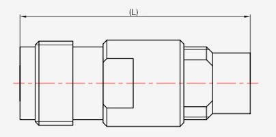
어둑한
엘tr
밀리미터(인치)
최저한의 최고
에이 .378 (9.60) .381 (9.68)
.346 (8.79) .356 (9.04)
기음 .327 (8.31) .333 (8.46)
.319 (8.10) .321 (8.15)
이자형 ------- .186 (4.72)
에프 .068 (1.73) .088 (2.24)
G .327 (8.31) .335 (8.51)
시간 .187 (4.75) -------
제이 .186 (4.72) .206 (5.23)
케이 ------- .006 (0.15)
L .195 (4.95) -------
.081 (2.06) .087 (2.21)
N ------- .256 (6.50)
.188 (4.78) .208 (5.28)
아르 자형 .414 (10.52) -------
.015 (0.38) .030 (0.76)

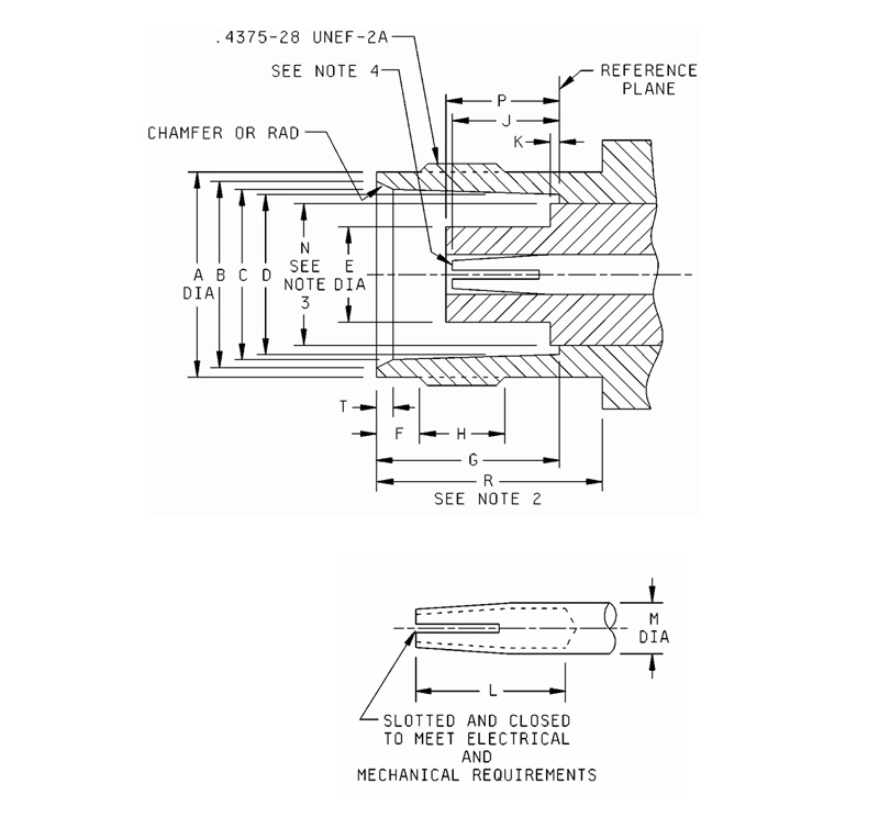
참고:
1. 이 인터페이스는 다음에 지정된 게이지 요구 사항을 충족해야 합니다.
중IL-피아르 자형에프-39012/28.
2. 짝을 이루는 커넥터 커플링 너트의 여유 공간.
3. 치수는 유전체의 해당 부분(해당되는 경우)에 적용됩니다.
금속 너머로 튀어나온 것
치수 케이별 길어깨(또는 참조 평면)
4. 0.052인치(1.32mm)/0.054(1.37mm) 직경 핀과 결합할 때 VSwR을 충족하는 I디입니다.

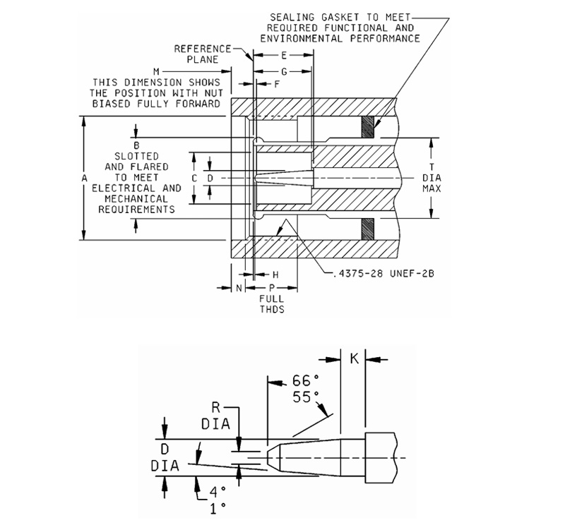
어둑한
엘tr
밀리미터(인치)
최저한의 최고
에이 .440 (11.18) -------
게이지 테스트
기음 .190 (4.83) -------
.052 (1.32) .054 (1.37)
이자형 .210 (5.33) .230 (5.84)
에프 .006 (0.15) -------
G .208 (5.28) .228 (5.79)
시간 .003 (0.08) .040 (1.02)
케이 .078 (1.98) -------
------- .078 (1.98)
N .063 (1.60) -------
.156 (3.96) -------
아르 자형 ------- .025 (0.64)
------- .322 (8.18)

참고:
1. 이 인터페이스는 다음에 지정된 게이지 요구 사항을 충족해야 합니다. MIL-PRF-39012/26.

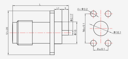
TNC SERIES
  • TNC-KF3A
    TNC-KF3A
    모델 케이블 유형
    TNC-KF3A SYV-50-2-1,RG316
    TNC-KF5A SYV-50-3,RG142,SFCJ-50-3-51
  • TNC-KF3A-1
    TNC-KF3A-1
    모델 케이블 유형
    TNC-KF3A-1 SYV-50-2-1,RG316
  • TNC-JB2
    TNC-JB2
    모델 케이블 유형
    TNC-JB2 SFT-50-2,670-086 Φ2.2
    TNC-JB3 SFT-50-3,670-141 Φ3.6
  • TNC-JWB2
    TNC-JWB2
    모델 케이블 유형
    TNC-JWB2 SFT-50-2,670-086 Φ2.2
    TNC-JWB3 SFT-50-3,670-141 Φ3.6
  • TNC-KB2
    TNC-KB2
    모델 케이블 유형
    TNC-KB2 SFT-50-2,670-086 Φ2.2
    TNC-KB3 SFT-50-3,670-141 Φ3.6
  • TNC-KFB2
    TNC-KFB2
    모델 케이블 유형
    TNC-KFB2 SFT-50-2,670-086 Φ2.2
    TNC-KFB3 SFT-50-3,670-141 Φ3.6
  • TNC-KFB2-1
    TNC-KFB2-1
    모델 케이블 유형
    TNC-KFB2-1 SFT-50-2,670-086 Φ2.2
    TNC-KFB3-1 SFT-50-3,670-141 Φ3.6
  • TNC-KFD2
    TNC-KFD2
    모델 엘1
    KFD2 27 3.5
    KFD3 22 2
  • TNC-J3A
    TNC-J3A
    모델 케이블 유형
    TNC-J3A SYV-50-2-1,RG316
    TNC-J5A SYV-50-3-4,RG142, SFCJ-50-3-51
    TNC-J5AC
  • TNC-JW5
    TNC-JW5
    모델 케이블 유형
    TNC-JW5 SYV-50-3-4,SFCJ-50-3-51,RG142
    TNC-JW7 SYV-50-5-1,SFCJ-50-5-51
    TNC-JW10 SYV-50-7-2,SFCJ-50-7-51
  • TNC-JW5-1
    TNC-JW5-1
    모델 케이블 유형
    TNC-JW5-1 SYV-50-3-4,SFCJ-50-3-51,RG142
  • TNC-K5
    TNC-K5
    모델 케이블 유형
    TNC-K5 SYV-50-3-4, SFCJ-50-3-51,RG142 31
    TNC-(J)5
    TNC-K7 SYV-50-5-1, SFCJ-50-5-51 33
    TNC-K10 SYV-50-7-1, SYV-50-7-2,SFCJ-50-7-51 33
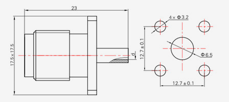
  • TNC-KFD1
    TNC-KFD1
  • TNC-KFD4
    TNC-KFD4

계속 연락하세요

[#입력#]
제출
회사 소개
닝보한손통신기술유한회사
닝보한손통신기술유한회사
Ningbo Hanson Communication Technology Co., Ltd. is China TNC 커넥터 Supplier and Custom TNC 커넥터 Company. We are a manufacturer specializing in the production, processing, and trade of communication components, with more than 30 years of experience in RF coaxial connectors, adapters, and cable assemblies. 이제 회사는 자체 가공 작업장, 전기 도금 작업장, 조립 작업장 및 안정적이고 신뢰할 수 있는 공급업체 그룹을 개발했습니다. 회사의 목적은 고객에게 고품질의 제품을 제공하는 것입니다. 주요 제품 RF 동축 커넥터, 어댑터, 고주파 케이블 어셈블리 및 낮은 상호 변조 케이블 어셈블리입니다. 또한 회사는 제품에 대한 고객의 특별한 요구 사항을 충족하기 위해 맞춤형 요구 사항을 가진 고객에게 서비스를 제공할 수도 있습니다. 이 회사의 제품은 항공우주, 통신 기지국, 의료 장비 및 기타 첨단 기술 분야에서 널리 사용됩니다. 기업 개혁, 혁신, 개발 및 성장 당시 회사는 ISO9001 국제 품질 관리 시스템에 가입하고 신규 고객과 기존 고객에게 더욱 만족스러운 제품과 서비스를 제공하기 위해 관리 수준을 지속적으로 향상시키는 데 앞장섰습니다.
최신 뉴스
  • RF 동축 어댑터는 무선 통신, 전자 장비 및 신호 전송에 없어서는 안될 구성 요소입니다. 이는 다양한 RF 동축 케이블과 장치를 연결하는 브리지 역할을 하여 안정적이고 효율적인 신호 전송을 보장합니다. 그러나 시장에 나와 있는 수많은 RF 동축 어댑터 모델과 사양으로 인해 올바른 제품을 선택하는 것이 많은 엔지니어...

    READ MORE
  • RF(무선 주파수) 커넥터는 현대 통신 및 전자 장비, 특히 고주파 신호 전송에서 중요한 역할을 합니다. 무선 통신, 5G 네트워크, 위성 통신 또는 방송, TV, 레이더 시스템과 같은 애플리케이션에서 RF 커넥터는 신호 안정성과 무결성을 보장해야 합니다. 그러나 실제 응용 분야에서 RF 커넥터는 장비의 정상적인 작...

    READ MORE
  • RF 케이블 어셈블리 무선 주파수(RF) 신호 전송에 사용되는 핵심 전기 부품입니다. RF 케이블, 커넥터, 기타 보조 부품으로 구성되며 통신, 레이더, 위성, 방송, 무선 네트워크 등 다양한 고주파 신호 전송 시스템에 널리 사용됩니다. RF 케이블 어셈블리는 안정적인 신호 전송을 보장할 뿐만 아니라 복잡...

    READ MORE
  • SMA 커넥터 통신 장비, 마이크로파 시스템, 안테나, 테스트 장비, GPS, 레이더 및 기타 고주파 시스템에 널리 사용되는 RF 애플리케이션에서 가장 일반적이고 널리 사용되는 동축 커넥터 중 하나입니다. SMA 커넥터의 구조는 단순해 보이지만 설치나 연결 시 작은 실수라도 신호 감쇠, VSWR 증가, 접...

    READ MORE
사업 기회를 찾고 계십니까?

오늘 통화 요청